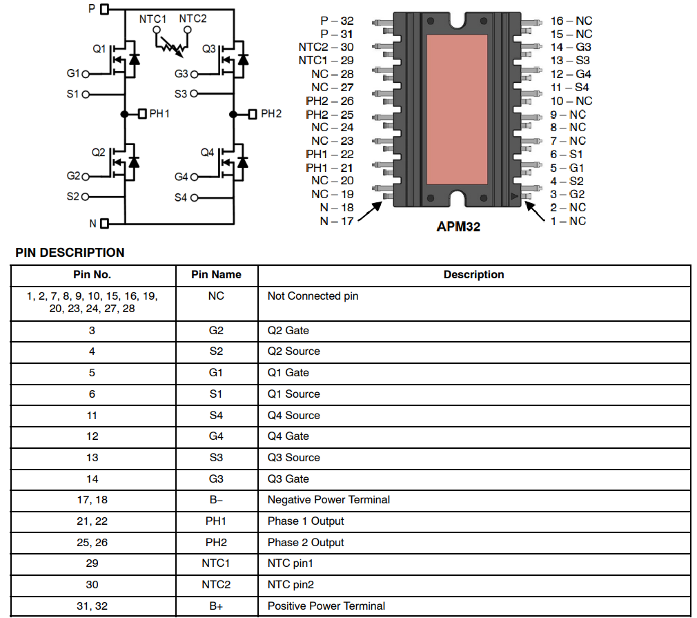
onsemi NVXK2PR80WXT2 Silicon Carbide (SiC) Module
onsemi NVXK2PR80WXT2 Silicon Carbide (SiC) Module is a 1200V, 80mΩ, and 31A full-bridge power module housed in a Dual Inline Package (DIP). This SiC module is compactly designed for a low total module resistance. The NVXK2PR80WXT2 power module is automotive-qualified per AEC-Q101 and AQG324. This power module is lead-free, ROHS, and UL94V-0 compliant. The NVXK2PR80WXT2 SiC module's temperature sensing and the lowest thermal resistance make it ideal for DC-DC and onboard chargers in xEV applications.Features
- DIP Silicon Carbide (SiC) full-bridge power module
- 1200V drain to source voltage (VDSS)
- 31A continuous drain current (ID)
- 80mΩ (typical) drain to source on-resistance (RDS(ON))
- -55°C to 175°C operating Junction temperature (TJ) range
- Creepage and clearance per IEC60664−1 and IEC 60950−1
- Compact design for low total module resistance
- Module serialization for full traceability
- Lead-free
- ROHS and UL94V-0 compliant
- Automotive qualified per AEC-Q101 and AQG324
Applications
- DC/DC and on-board charger in xEV applications
- 11kW to 22kW on-board charger for EV-PHEV
SiC MOSFET Full Bridge Module
Paskelbta: 2024-08-02
| Atnaujinta: 2024-08-28
