LEM CASR Board Mount Current Transducers
LEM CASR Board Mount Current Transducers are specifically designed for accurate electronic measurement of DC, AC, and pulsed currents, covering a range from 1.5A to 75A RMS. These sensors provide galvanic isolation between the primary and secondary circuits, ensuring enhanced safety and performance. Built with compact Fluxgate-based technology, the LEM CASR current sensors operate with a single +5V supply and exhibit minimal offset and gain drift. The CASR sensors also offer an extended measuring range up to three times the nominal primary current (Ipn), making them highly versatile. Additionally, these transducers are designed for direct PCB mounting, featuring three primary pins for efficient handling of small current measurements from 2A to 50A RMS.Engineered using closed-loop Fluxgate technology, the CASR sensors deliver precise and stable performance, ideal for industrial applications. The advanced design ensures high accuracy, low noise, and reliable operation in demanding environments. These sensors also provide reference access, further enhancing usability in various measurement and control systems.
Features
- Closed loop (compensated) multi-range current transducer
- DC to 300KHz (±3dB) and 200KHz (±1dB) bandwidth
- 0V to 5V output voltage range
- Closed-loop Fluxgate technology
- Single supply
- Very low temperature coefficient of offset
- Very good dv/dt immunity
- Reference pin with two modes (Ref IN and Ref OUT)
- Extended measuring range for unipolar measurement
- Fast <0.3µs response time
- LTSR compatible footprint
- Insulated plastic case material recognized according to UL 94V-0
- Compact design with a reduced height for PCB mounting
- 5-year warranty
- RoHS compliant
Applications
- AC variable speed and servo motor drives
- Static converters for DC motor drives
- Battery supplied applications
- Uninterruptible Power Supplies (UPS)
- Switched Mode Power Supplies (SMPS)
- Power supplies for welding applications
- Solar inverters
Specifications
- 6A, 15A, 25A, and 50A current variants
- 7V maximum supply voltage
- 4kV maximum ESD Human-Body Model (HBM) voltage
- 600VAC/DC primary involved potential
- 5VDC secondary supply voltage
- 4.1kV RMS voltage for AC insulation test, 50/60Hz/1 minute
- 7.5kV impulse withstand voltage 1.2/50µs
- 7.5mm clearance
- Creepage distances
- 7.5mm shortest internal path along the device body
- 6.2mm when mounted on a PCB
- +110°C maximum primary conductor temperature
- -40°C to +105°C ambient operating temperature range
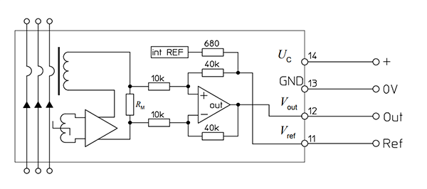
Connection
Dimensions (mm)
Paskelbta: 2025-07-21
| Atnaujinta: 2025-08-25
