Diodes Incorporated AL179x LED Drivers
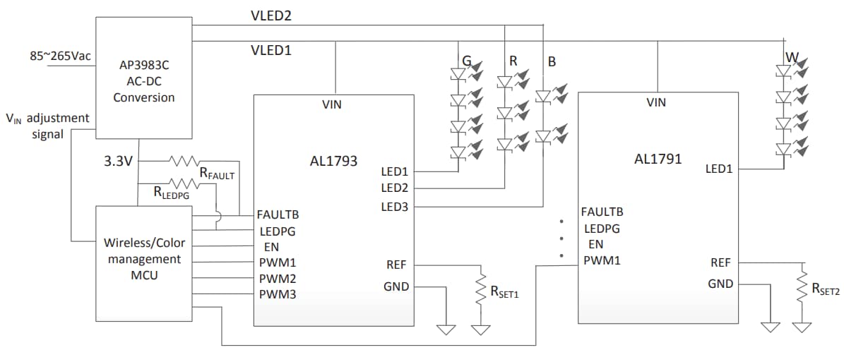
Diodes Inc. AL179x LED Drivers are single/multichannel LED drivers with analog and PWM dimming control. They are targeted for tunable white/color smart lighting applications. The AL179x serve as the LED driving element along with AC-DC power conversion block and Intelligent wireless MCU as an emerging smart-connected lighting system configuration. They feature cost effectiveness, dimming performance, low standby power, ease of system implementation and great scalability. AL1791, AL1792, AL1793, and AL1794 are 1-channel, 2-channel, 3-channel, and 4- channel LED drivers.Features
- 6.5V to 30V Input voltage range
- 1/2/3/4-channel LED drivers with independent analog or PWM dimming control for each channel
- Reference current adjustable by an external reference resistor
- Ratio-optimized currents for 4 independent LED channels (AL1794 only) suitable for tunable white and tunable color
- Low standby power with EN pin
- E-flicker free high frequency PWM dimming with deep dimming capability support 10KHz down to 1.0%, 4KHz down to 0.4%, or 1KHz down to 0.1%
- Internal protections of Undervoltage Lockout (UVLO), LED string open/short protection
- Over-temperature protection (OTP) of thermal shutdown and auto thermal recovery
- Fault reporting includes UVLO, OTP, open, and short LED power good reporting
- Low system BOM cost
- Ambient temperature range of -40°C to +125°C
- U-DFN4030-14 Available in "green" molding compound (No Br, Sb)
Applications
- 1-Channel cimmable smart connected light (SCL) bulbs
- 2-Channel tunable white SCL bulbs
- 3-Channel tunable white or color SCL bulbs
- 4-Channel tunable white+color SCL bulbs
- Smart connected LED tubes, panel lights, troffers, and ceiling lights
Additional Resources
Typical Application Circuit
Paskelbta: 2015-07-27
| Atnaujinta: 2022-03-11
