Analog Devices / Maxim Integrated MAX17612AEVKIT Evaluation Kit
Analog Devices MAX17612AEVKIT Evaluation Kit demonstrates the MAX17612A, a 4.5V to 60V current-limiter with OV, UV, and reverse protection. The MAX17612AEVKIT is fully assembled with UVLO programmed to 4.5V and OVLO programmed to 36V. The Analog Devices MAX17612AEVKIT Evaluation Kit is designed to demonstrate adjustable overvoltage, undervoltage, different current limit types, and different current limit thresholds. The kit features a TVS diode across the input and a Schottky diode across the output terminals.Features
- 4.5V to 60V operating-voltage range
- Features a TVS diode across the input and Schottky diode across the output terminals
- Evaluates UVLO, OVLO, three current limit types, and current limit threshold
- UVLO programmed to 4.5V
- OVLO programmed to 36V
- Jumper-configurable current limit (selected as 250mA by default)
- The current limit mode is set to Autoretry by default
- Proven PCB layout
- Fully assembled and tested
Applications
- Condition monitoring
- Factory sensors
- Industrial applications such as PLC, network-control modules, battery-operated modules
- Process instrumentation
- Sensor systems
- Weighing and batching systems
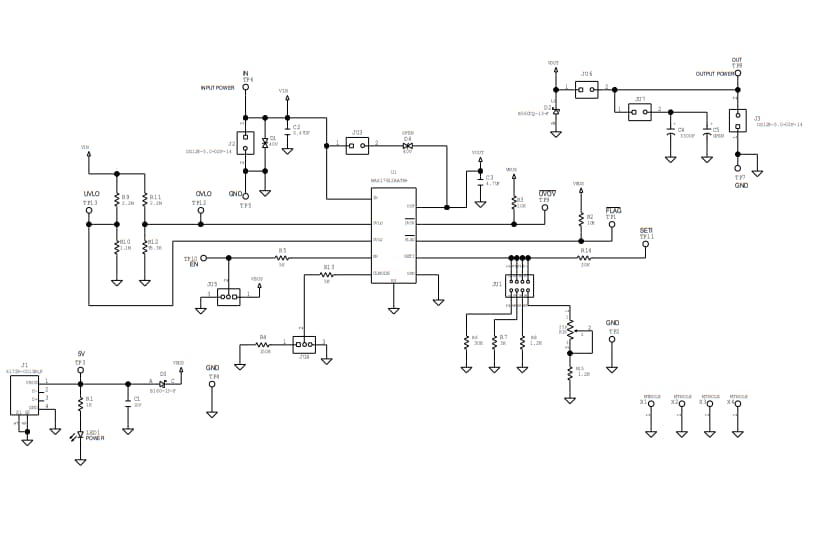
Schematic
Paskelbta: 2018-10-26
| Atnaujinta: 2023-04-24
