Lietuva - Pažymėti Lietuva

„Incoterms“:DDP
Visos kainos nurodytos su pasirinktų siuntimo metodų muito mokesčiais.

Patvirtinkite pasirinktą valiutą:

Eurai
Nemokamas siuntimas daugumai užsakymų, viršijančių 50 € (EUR)

JAV doleriai
Nemokamas siuntimas daugumai užsakymų, viršijančių $60 (USD)

Bench Talk for Design Engineers

Bench Talk

rss

Bench Talk for Design Engineers | The Official Blog of Mouser Electronics


New Tech Tuesdays: Advanced Data-Acquisition for Modern Battery Management Rudy Ramos

New Tech Tuesdays

Join Rudy Ramos for a weekly look at all things interesting, new, and noteworthy for design engineers.

The need for efficient energy storage and management has become increasingly important in today's rapidly evolving technological landscape. This need is particularly critical in applications such as residential battery storage systems, high-voltage battery stacks, and battery backup systems. This week's New Tech Tuesday looks at the importance of battery management systems and how the ADES175x series data-acquisition systems from Analog Devices offers cutting-edge solutions designed to optimize the performance and reliability of these systems.

Residential Battery Storage Systems

With the increasing adoption of renewable energy sources, residential battery storage systems play a crucial role in ensuring energy availability and reducing dependency on the grid. Efficient management of these systems requires precise monitoring and control of battery modules.

High-Voltage Battery Stacks

High-voltage battery stacks are fundamental in various industrial applications, including electric vehicles (EVs) and large-scale energy storage systems. These applications demand robust and reliable data-acquisition systems to effectively manage the complex requirements of high-voltage operations.

Uninterruptible Power Supplies

Uninterruptible power supplies (UPS) are critical in maintaining continuous power delivery during outages. The ADES175x series provides the necessary tools to ensure that battery backup systems can respond swiftly and efficiently, maintaining power integrity and system reliability.

The Newest Products for Your Newest Designs®

The Analog Devices ADES175x series includes three part numbers, providing different options that offer a diverse range of innovative solutions for modern BMS applications.

ADES1754: Optimized for Residential Systems

The ADES1754 is specifically designed to meet the needs of residential battery storage systems. It can measure 14 cell voltages and manage six temperature or system voltage measurements within 162μs using fully redundant measurement engines. This ensures precise and reliable monitoring, which is essential for maintaining system efficiency and longevity.

ADES1755: Enhancing High-Voltage Battery Stacks

For high-voltage battery stacks, the ADES1755 provides advanced features, including internal balancing switches rated for over 300mA for cell balancing. It supports extensive built-in diagnostics and the ability to daisy-chain up to 32 devices, manage 448 cells, and monitor 192 temperatures. This capability is crucial for the scalability and reliability of high-voltage applications.

ADES1756: Ensuring Reliability in UPS Systems

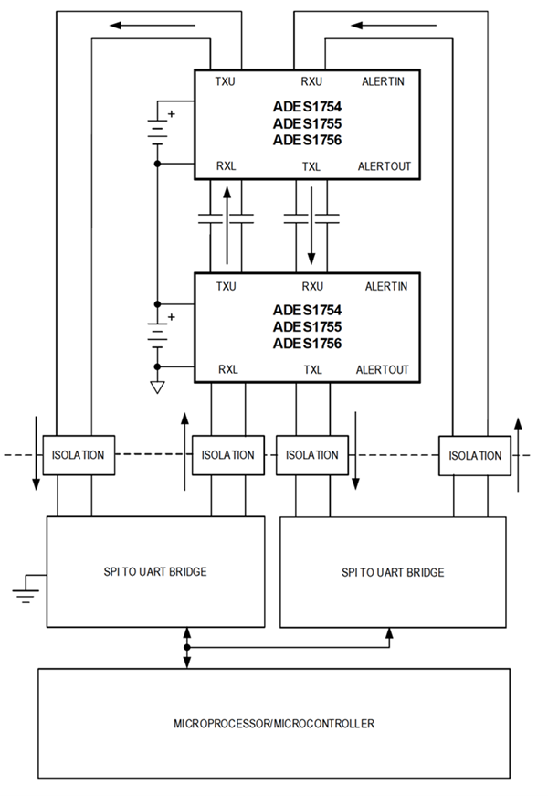
The ADES1756 is tailored for UPS applications, offering high-speed data acquisition and robust communication protocols. It uses Analog Devices' battery-management UART protocol for reliable communications and supports an I²C controller interface for external device control (Figure 1). These features ensure that UPS systems can maintain their performance and reliability even under the most demanding conditions.

Figure 1: Application diagram for the ADES175x series data-acquisition systems. (Source: Analog Devices)

Tuesday’s Takeaway

The Analog Devices ADES175x series provides advanced and versatile solutions for modern battery management systems. Whether optimizing residential battery storage, managing high-voltage battery stacks, or ensuring the reliability of UPS systems, these data-acquisition systems offer the precision, reliability, and scalability needed to meet today's energy storage challenges.



« Back


Rudy RamosRudy Ramos brings 35+ years of expertise in advanced electromechanical systems, robotics, pneumatics, vacuum systems, high voltage, semiconductor manufacturing, military hardware, and project management. Rudy has authored technical articles appearing in engineering websites and holds a BS in Technical Management and an MBA with a concentration in Project Management. Prior to Mouser, Rudy worked for National Semiconductor and Texas Instruments..


All Authors

Show More Show More
View Blogs by Date

Archives