Texas Instruments TPS25831Q1EVM-062 Evaluation Module
Texas Instruments TPS25831Q1EVM-062 Evaluation Module is designed for USB Type-C™ and BC1.2 5V 3.5A output, 36V input synchronous buck with cable compensation. The TPS25831Q1EVM-062 evaluation module offers a power terminal block, USB Type-A, and USB Type-C connector for device charging and data communication. The Texas Instruments TPS25831Q1EVM-062 adjusts the cable compensation, current limit, DC-DC frequency, and NTC thermal protection by the resistor.Features
- 6V to 36V (40V Abs max) input range current mode control DC-DC converter
- ±8% current sense accuracy (IOUT > 1.5A) for precision cable droop compensation
- USB battery charging specification Rev. 1.2 and Type-C Rev. 1.3 compliant
- CC1, CC2, D+ and D- short-to-VBAT and VBUS protection
- User-programmable VBUS current limit and internal VCONN current limiting
- User-programmable external NTC component for system thermal management
Applications
- Automotive
- Infotainment
- USB hubs
- Aftermarket USB chargers
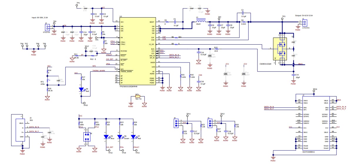
Schematic
Paskelbta: 2019-04-24
| Atnaujinta: 2023-08-23
