Texas Instruments TPS23880 8-Channel PSE Controllers
Texas Instruments TPS23880 8-Channel Power Sourcing Equipment (PSE) Controllers are engineered to insert power onto Ethernet cables in accordance with the IEEE 802.3bt (draft) standard. The eight individual power channels can be configured in any combination of 2-Pair (1-channel) or 4-Pair (2-channels) PoE Ports. The PSE controller can detect powered devices (PDs) that have a valid signature, determine the power requirements of the devices according to their classification, and apply power.Programmable SRAM enables in-field firmware upgradability over I2C to ensure IEEE compliance and interoperability with the latest PoE-enabled devices. Dedicated per-port ADCs provide continuous port current monitoring and the ability to perform parallel classification measurements for faster port turn-on times. The ±3% accurate programmable port power limit provides the ability to expand the maximum power sourced above 90W without exceeding 100W while also making system-level power management control easier to implement and reliable.
The Fast Shutdown (OSS) input provides up to eight levels of per port shutdown priority for applications requiring immediate disabling of multiple ports. The external FET architecture allows designs to balance size, efficiency, thermal, and solution cost requirements.
Port remapping and pin-to-pin compatibility with the TPS2388 eases migration from previous generation PSE designs and enables interchangeable 2-layer PCB designs to accommodate different system PoE power configurations.
Features
- IEEE 802.bt (Draft) PSE solution for Type 3 or Type 4 PoE applications
- Eight independent PSE channels
- SRAM Programmable memory
- Programmable power limiting accuracy ±3%
- Selectable 2-pair or 4-pair port power allocations
- 15.4W, 30W, 45W, 60W, 75W, or 90W
- Single and dual signature PD compatibility
- Dedicated 14-Bit current ADC per port
- Inherent filtering
- 2% Current sensing accuracy
- 100ms Rolling port current averaging
- Noise immune MPS for DC disconnect
- 1 and 3-Bit fast port shutdown input
- Auto-class discovery and power measurement
- Never fooled 4-point detection
- Inrush and operational foldback protection
- 425mA and 1.25A selectable current limit
- Port re-mapping
- 8-Bit or 16-Bit I2C communication
- Flexible processor-controlled operating modes
- Auto, semi-auto, and manual/diagnostic
- Per port voltage monitoring and telemetry
- –40°C to +125°C Temperature operation
Applications
- Enterprise and SoHO switches and routers
- Connected ceiling LED lighting switches
- PoE Pass-through power modules
- Network Video Recorders (NVRs)
- Wireless backhaul and small-cell networking
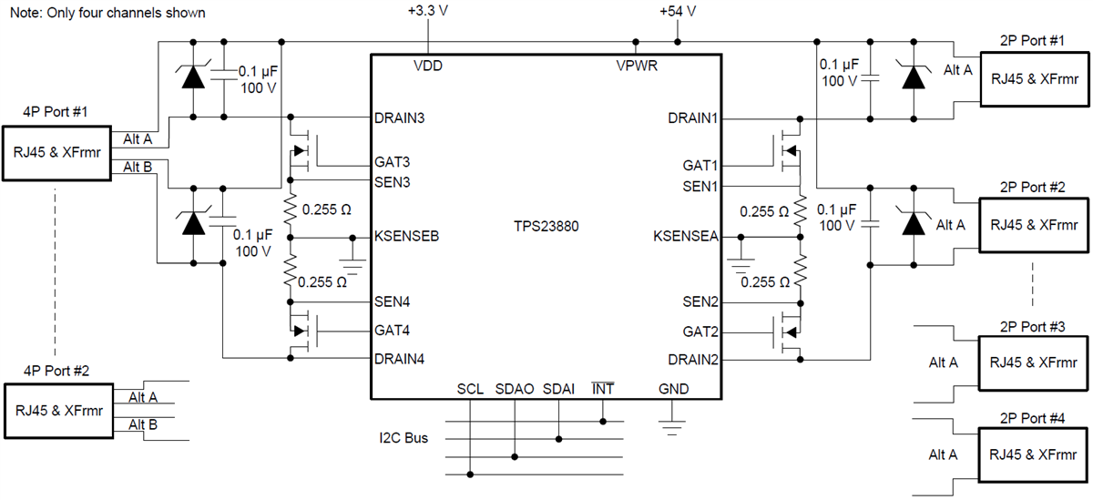
Simplified Schematic
