Texas Instruments TMS320F28069 Piccolo MCUs
Texas Instruments TMS320F28069 Piccolo Microcontrollers provide the power of the C28x™ core and Control Law Accelerator (CLA) coupled with highly integrated control peripherals in low pin-count devices. TI TMS320F28069 MCUs are code compatible with previous C28x-based code and provide a high level of analog integration. An internal voltage regulator allows for single-rail operation.Features
- High-efficiency 32-Bit CPU (TMS320C28x™)
- 80MHz (12.5ns cycle time)
- 16 x 16 and 32 x 32 MAC operations
- 16 x 16 dual MAC
- Harvard bus architecture
- Atomic operations
- Fast interrupt response and processing
- Unified memory programming model
- Code-efficient (in C/C++ and assembly)
- Floating-Point Unit (FPU)
- Native single-precision Floating-Point Operations
- Programmable Control Law Accelerator (CLA)
- 32-Bit Floating-Point Math Accelerator
- Executes code independently of the main CPU
- Viterbi, complex math, CRC Unit (VCU)
- Extends C28x™ instruction set to support complex multiply, Viterbi Operations, and Cyclic Redundancy Check (CRC)
- Embedded memory:
- Up to 256KB Flash
- Up to 100KB RAM
- 2KB OTP ROM
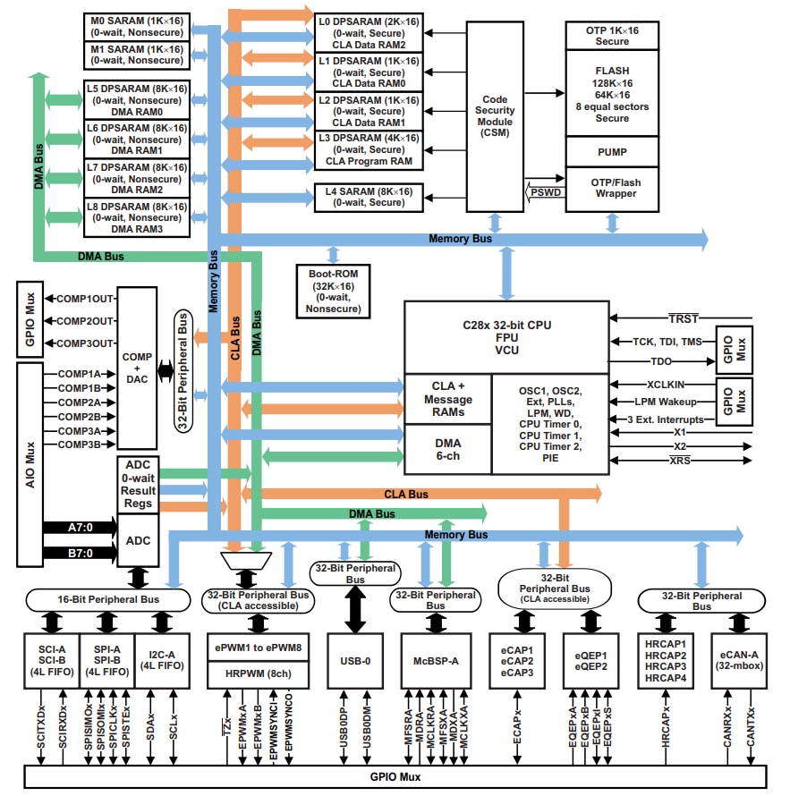
Functional Block Diagram
Paskelbta: 2011-10-06
| Atnaujinta: 2022-04-22
