Texas Instruments TIEVM-ARC-AFE Evaluation Module
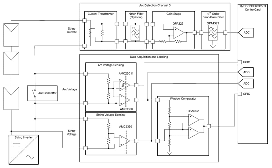
Texas Instruments TIEVM-ARC-AFE Evaluation Module features an analog front end for DC arc detection in solar applications based on artificial intelligence (AI). DC arcing generates a high-frequency noise onto the DC string current. Data is received and fed into an embedded AI model, which is trained to identify the arc to detect the arcing frequency. Compared to traditional arc detection approaches, these features accomplish higher accuracy with less computational effort. In addition to the signal chain for arc detection, this structure offers features for collecting and labeling arcing data for embedded AI model training.This hardware works with TMDSCNCD28P55X, the controlCARD of C2000™ F28P55x devices, and other C2000 control cards in the 180-pin connector. It is part of an AI-based arc detection toolchain, which includes different software tools for collecting arc data, training an embedded AI model, and validating the system.
The TI TIEVM-ARC-AFE is the orderable version of the TIDA-010955 reference design.
Features
- 4-channel analog front end for AI-based arc detection
- Configurable analog front end with band-pass and notch filter
- String voltage and arc gap voltage measurement inputs for training data acquisition
- Auto-labeling circuits to generate labeled arcing data
- Works with TMDSCNCD28P55X, controlCARD of C2000 F28P55x devices, as well as other C2000 controlCARDs in 180-pin connector
- Selected embedded AI models for a quick start into AI-based arc detection
Applications
- Solar arc protection
- String inverter
- Central inverter
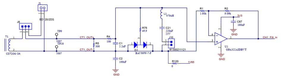
Schematics Current Sensing Circuit
Test Setup
Block Diagram Arc Test Setup
Paskelbta: 2025-02-19
| Atnaujinta: 2025-03-05
