Texas Instruments LM36011 Inductorless LED Flash Drivers
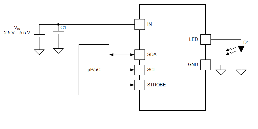
Texas Instruments LM36011 Inductorless LED Flash Drivers offer a high level of adjustability and a small-solution size of 4mm2. The device produces up to 1.5A of LED flash current or up to 376mA of torch current. The accurately programmable current source retains this current without needing a pre-regulated voltage, saving both solution size and cost. An I2C-compatible interface controls features including hardware flash (STROBE), flash time-out, UVLO, thermal scale-back, LED fault detection, and 128 programmable currents for both flash and movie mode (torch). The LM36011 operates over an –40°C to +85°C ambient temperature range.Features
- Accurate and programmable LED currents
- Flash/IR currents ranging from 11mA up to 1.5A (128 Levels)
- Torch currents ranging from 2.4mA up to 376mA (128 Levels)
- Flash time-out up to 1.6 seconds
- Optimized flash LED current during low battery conditions (IVFM)
- Grounded cathode LED operation for improved thermal management
- <4mm2 Small total solution size
- Hardware Strobe Enable (STROBE)
- Input voltage range from 2.5V to 5.5V
- 400kHz I2C-Compatible interface
- I2C Address = 0x64
Applications
- Mobile phones
- Tablets
- IR LED Driver
- Video surveillance: IP camera
- Barcode scanner
- Portable data terminal
Schematic
Paskelbta: 2018-07-13
| Atnaujinta: 2022-11-10
