Texas Instruments bq27Z561-R2 Impedance Track™ Gas Gauge IC
Texas Instruments bq27Z561-R2 Impedance Track™ Gas Gauge IC is a highly integrated, accurate 1-series cell gas gauge with a flash programmable custom reduced instruction-set CPU (RISC). It includes SHA-256 authentication for li-ion and li-polymer battery packs. The 1-series cell capability includes parallel cells for increased capacity.The Texas Instruments bq27Z561-R2 gas gauge communicates via I2C-compatible and HDQ one-wire interfaces and includes several key features that can help facilitate accurate gas gauging applications. Integrated temperature sense functions (internal and external options) enable system and battery temperature measurements.
Features
- Supports current sense resistors down to 1mΩ
- Supports pack-side gauging, including enhanced state of health (SOH) algorithm
- Fast QMax update option based on predicted OCV
- SHA-256 authentication responder for increased battery pack security
- Sophisticated charge algorithms
- JEITA
- Enhanced charging
- RSOC charging compensation option
- Two independent ADCs
- Support for simultaneous current and voltage sampling
- High-accuracy coulomb counter with input offset error < 1µV (typical)
- Low-voltage (2V) operation
- Wide-range current applications (1mA to > 5A)
- Active high or low pulse or level interrupt pin
- Supports battery trip point (BTP)
- Reduced power modes (typical battery pack operating range conditions)
- < 11µA Typical SLEEP mode
- < 9µA Typical DEEP SLEEP mode
- < 3µA Typical HIBERNATE mode
- < 1.9µA Typical OFF mode
- Internal and external temperature sense functions
- Diagnostic lifetime data monitor and black box recorder
- 400kHz I2C bus communications interface for high-speed programming and data access
- HDQ one-wire for communication with the host
- Compact 12-pin DSBGA package (YPH)
Applications
- Smartphones
- Digital still cameras and video cameras
- Tablet computing
- Portable and wearable health devices
- Portable audio devices
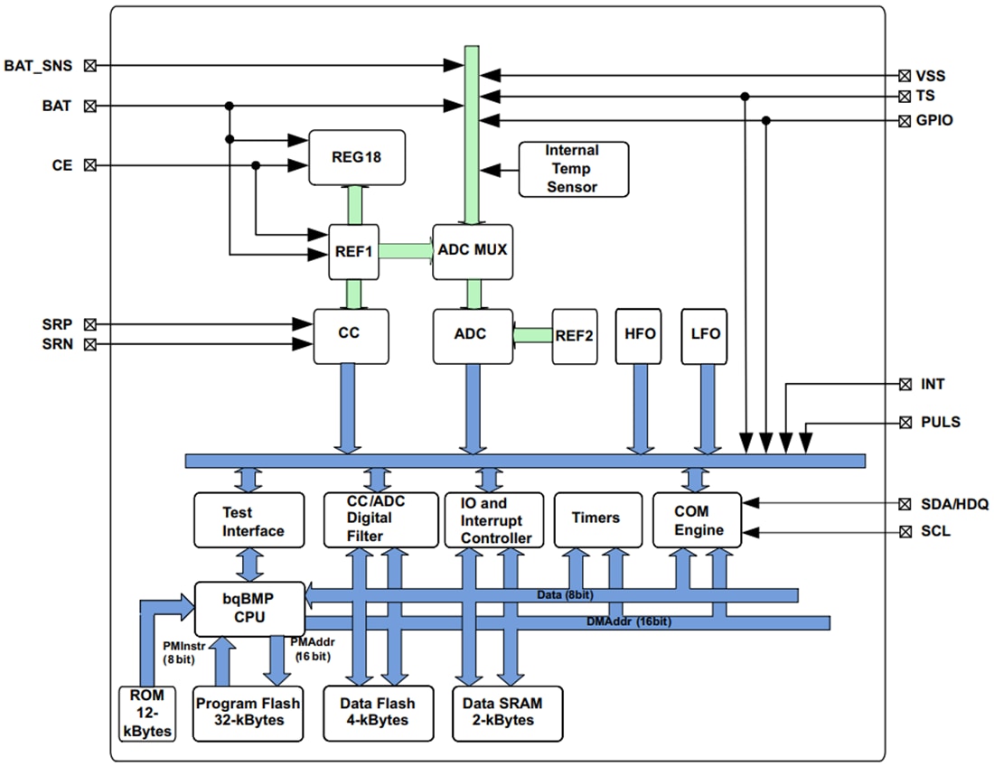
Functional Block Diagram
Paskelbta: 2020-10-21
| Atnaujinta: 2024-09-05
