Texas Instruments AFE7900 RF-Sampling Analog Front End (AFE)
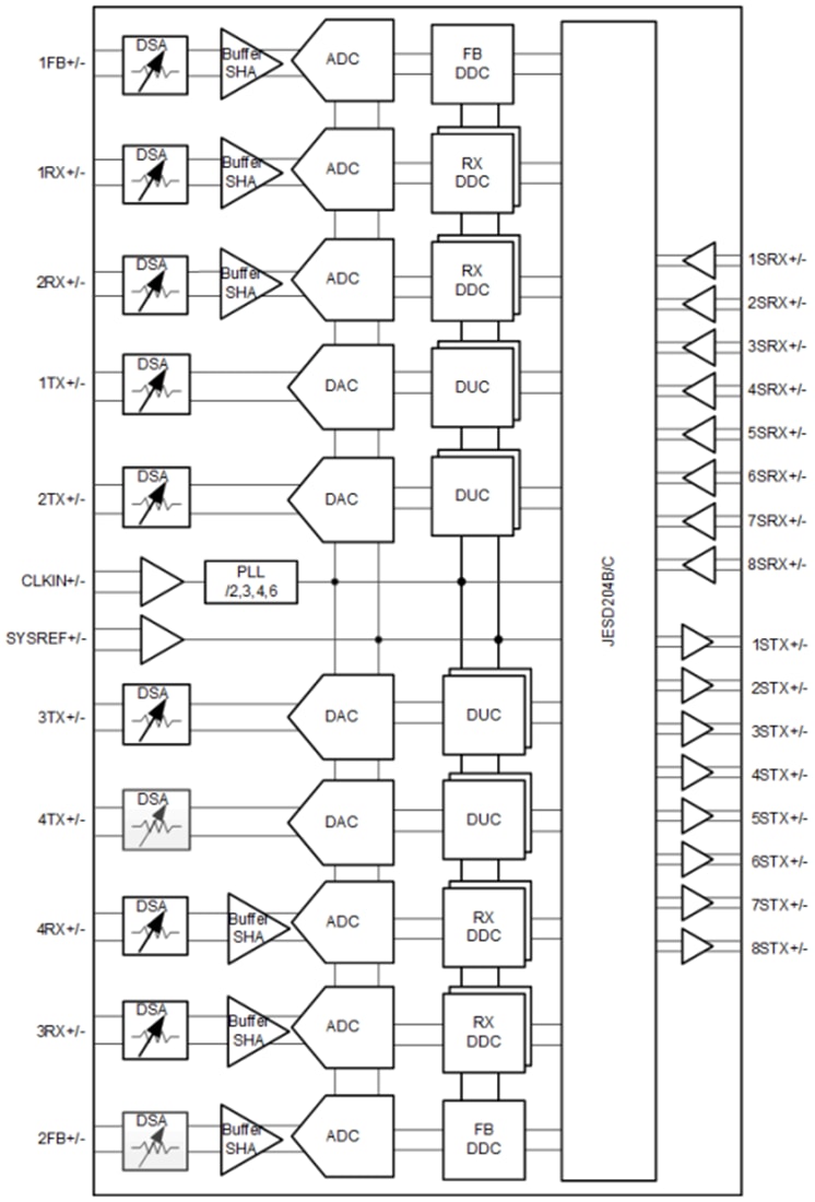
Texas Instruments AFE7900 RF-Sampling Analog Front End (AFE) is a high-performance, wide-bandwidth multi-channel transceiver. This device integrates four RF sampling transmitter chains, four RF sampling receiver chains, and two RF sampling feedback chains (six RF sampling ADCs total). With operation up to 7.4GHz, this device enables direct RF sampling in the L, S, and C-band frequency ranges without the need for additional frequency conversions stages. This improvement in density and flexibility enables high-channel-count, multi-mission systems.The TX signal paths of the Texas Instruments AFE7900 support interpolation and digital upconversion options that deliver up to 1200MHz of signal bandwidth for four TX or 2400MHz for two TX. The output of the DUCs drives a 12GSPS DAC (digital to analog converter) with a mixed-mode output option to enhance the 2nd Nyquist operation. The DAC output includes a variable gain amplifier (TX DSA) with a 40dB range and 1dB analog and 0.125dB digital steps.
Features
- Quad RF sampling 12GSPS transmit DACs
- Quad RF sampling 3GSPS receive ADCs
- Dual RF sampling 3GSPS feedback (auxiliary RX) ADCs
- Maximum RF signal bandwidth
- 4TXor 2FB: 1200MHz or 2TX: 2400MHz
- RX): 1200MHz (no FB), 600MHz (with FB)
- RF frequency range
- TX: 5MHz - 7.4GHz
- RX/FB: 5MHz - 7.4GHz
- Digital step attenuators (DSA)
- TX: 40dB range, 0.125dB steps
- RX or FB: 25dB range, 0.5dB steps
- Single or dual-band DUC or DDCs for TX and RX
- 16x NCOs per TX or RX and FB
- Optional internal PLL or VCO for DAC or ADC clocks or external clock at DAC or ADC sample rate
- SysRef alignment detector
- SerDes data interface
- JESD204B and JESD204C compatible
- Eight SerDes transceivers up to 29.5Gbps
- Subclass 1 multi-device synchronization
- 17mm × 17mm FCBGA, 0.8mm pitch package
Applications
- Radar
- Seeker front end
- Defense radio
- Tactical communications infrastructure
- Wireless communications test
Functional Block Diagram
Paskelbta: 2021-10-22
| Atnaujinta: 2022-12-01
