Texas Instruments ADS8355 2-Ch Simultaneous-Sampling SAR ADCs
Texas Instruments ADS8355 2-ch Simultaneous-Sampling SAR ADCs are high-speed devices that support single-ended and pseudo-differential analog inputs. The ADS8355 ADCs offer a flexible serial interface operating over a wide power-supply voltage range. The flexible interface allows for easy communication with various host controllers. The ADS8355 2-ch simultaneous-sampling SAR ADCs use two low-power modes, optimizing power consumption for any given throughput.The Texas Instruments ADS8355 is fully specified over the extended industrial temperature range (-40°C to +125°C) and is available in a 16-pin WQFN (3mm × 3mm) package.
Features
- 1MSPS throughput, no latency output
- Simultaneous sampling of two channels
- Supports single-ended and pseudo-differential inputs
- Excellent DC and AC performance
- 16-bit NMC DNL, ±1-LSB INL
- 88dB SNR, –97dB THD
- Dual, programmable, 2.5V internal reference
- Fully specified over the extended industrial temperature range of -40°C to +125°C
- Small footprint - WQFN-16 (3mm × 3mm)
Applications
- Servo drive position feedback
- Optical modules
- Multifunction relays
- Power quality analyzers
- Three-phase UPS
- Analog input modules
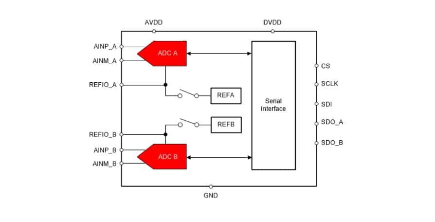
Functional Diagram
Paskelbta: 2020-04-13
| Atnaujinta: 2024-06-04
