Texas Instruments LMK00304/08/38EVM Clock Buffer Evaluation Modules
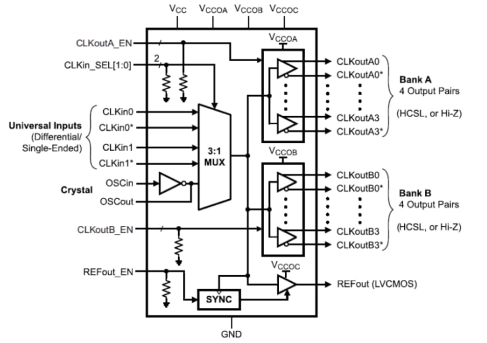
Texas Instruments LMK00304/08/38EVM Clock Buffer Evaluation Modules (EVM) are designed to evaluate the functionality and performance specifications of the LMK00334/38 Clock Buffer. The LMK00334/38 are a 400MHz, 8-output HCSL buffer intended for high frequewncy, low additive jitter clock distribution and level translation. The evaluation module provides low-noise clock fan-out with two banks of four HCSL outputs each and one LVCMOS output. It includes a 3:1 input multiplexer with two universal input buffers and one crystal oscillator interface, selectable via control pins and DIP switches to configure the control pins. This module comes with a 3.3V core and independent 3.3V/2.5V output supplies per output bank using onboard regulator options or direct supply inputs.Features
- Low-noise clock fan-out with two banks of four HCSL outputs each and one LVCMOS output
- 3:1 input multiplexer with two universal input buffers and one crystal oscillator interface, selectable via control pins
- Includes DIP switches to configure control pins
- 3.3V core and independent 3.3V/2.5V output supplies per output bank using on-board regulator options or direct supply inputs
- Flexible input/output interface with controlled-impedance traces and edge SMA connectors
Functional Block Diagram
User's Guide
Paskelbta: 2015-12-10
| Atnaujinta: 2022-03-11
