TDK TSP15 Piezoelectric Powder Level Sensor
TDK TSP15 Piezoelectric Powder Level Sensor is designed for detecting the presence of powder in copiers and laser printers by utilizing a piezoelectric ceramic sensor element. This powder level sensor features a built-in oscillating circuit that alters vibration patterns when the sensor comes into contact with the powder. The TDK TSP15 piezoelectric powder level sensor comes in a compact structure and can be used to detect both magnetic and non-magnetic powders. This powder level sensor offers a die-cast finish on the exterior that makes the sensor highly resistant to effects caused by external vibrations and provides stable detection characteristics.Features
- Ability to detect magnetic and non-magnetic powders
- Highly resistant to effects caused by external vibrations
- Stable detection characteristics
- Can be mounted to a wide range of locations
- Compact and low-cost
Applications
- Toner detection for copiers and laser printers
- Detection for other types of powders
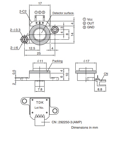
TSP15D10C-01 Dimensions
Videos
Paskelbta: 2019-08-21
| Atnaujinta: 2024-02-26
