ROHM Semiconductor RB-D62Q1532TB48 Reference Board

ROHM Semiconductor RB-D62Q1532TB48 Reference Board is designed to showcase the capabilities of the LAPIS ML62Q1532 16-bit RISC CMOS microcontroller optimized for low-power and high-performance embedded applications. This reference board provides a versatile platform for developers to quickly evaluate and prototype systems requiring efficient processing and real-time control. Powered by the ML62Q1532 MCU, the board offers low power consumption, making it ideal for battery-operated devices. It includes internal flash memory and RAM, along with support for external memory for larger applications.

textThe ROHM Semiconductor RB-D62Q1532TB48 board features a range of I/O interfaces, including digital I/O, ADC, and communication protocols such as UART, SPI, and I2C, enabling easy integration with external peripherals. Its real-time processing capabilities make it suitable for time-sensitive applications, while the compact design is perfect for space-constrained systems. With development tools, example code, and debugging interfaces provided, the RB-D62Q1532TB48 reference board accelerates the development of applications in industrial automation, consumer electronics, and automotive systems, offering a reliable and energy-efficient solution.

Features

  • Provided with the LAPIS ML62Q1532 CMOS 16-bit RISC MCU, 48-pin TQFP
  • Mounted with the linked connector to EASE1000
  • Through-holes for connecting the pins of LSI to external peripheral boards
  • Selectable power supply, supplied from the on-chip emulator EASE1000 or CN1_3pin/CN2_2pin
  • Mounted LED (P20, P21, P22)
  • Mounted 32.768KHz crystal
  • Low power consumption
  • Internal flash memory and RAM
  • Flexible I/O and communication interfaces
  • Real-time processing
  • 1.6V to 5.5V operating supply range
  • Compact form factor, 56mm x 94mm x 15mm (WxDxH) size

Applications

  • Industrial control
  • Consumer electronics
  • Automotive systems
  • Sensor networks

Overview

Location Circuit - ROHM Semiconductor RB-D62Q1532TB48 Reference Board

Power Circuit

Location Circuit - ROHM Semiconductor RB-D62Q1532TB48 Reference Board

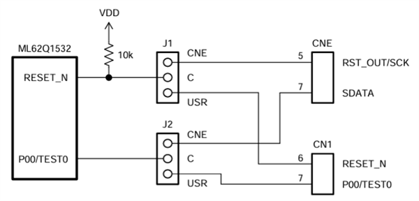
EASE1000 Interface

Mechanical Drawing - ROHM Semiconductor RB-D62Q1532TB48 Reference Board

PCB Layout

Location Circuit - ROHM Semiconductor RB-D62Q1532TB48 Reference Board
Paskelbta: 2024-12-26 | Atnaujinta: 2024-12-31