ROHM Semiconductor BD18353EFV-M 1ch High Current LED Controller
ROHM Semiconductor BD18353x Series 1ch High Current LED Controller is an AEC-Q100 qualified device featuring a built-in high side current detection amplifier. This LED controller features two systems of built-in analog dimming, Over Voltage Protection (OVP), and Short Circuit Protection (SCP). The PWM dimming can be set free with a built-in PWM generation circuit. This LED controller operates at the 5V to 65V input voltage range and -40°C to 125°C temperature range. The BD18353EFV-M 1ch high current LED controller is ideal for automotive exterior lamps.Features
- AEC-Q100 qualified (Grade 1)
- Rail-to-rail current sense amplifier
- PWM dimming signal generator
- Over Voltage Protection (OVP)
- Short Circuit Protection (SCP)
- Analog dimming (two systems)
- DRL mode (100% duty) enable
- Outputs abnormal LED status (FAULT_B)
- Spread Spectrum Frequency Modulation ON/OFF (SSFM_B)
Specifications
- -40°C to 125°C operating temperature range
- 5V to 65V input voltage range
- ±3% LED current sense voltage accuracy
- 65V maximum output voltage
- 200kHz to 2.5MHz frequency switching range
Applications
- Automotive exterior lamps:
- Rear, turn, DRL/position, fog, high, and low beam
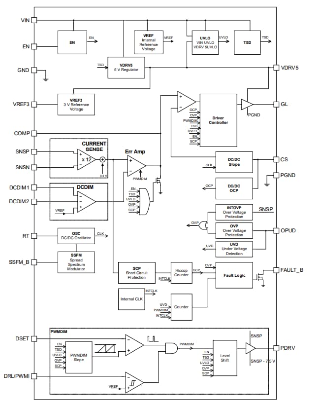
Block Diagram
Application Circuit Diagram
Additional Resources
Paskelbta: 2021-03-23
| Atnaujinta: 2022-03-11
