onsemi STK554U392A-E Intelligent Power Module
onsemi STK554U392A-E Intelligent Power Module (IPM) is a highly integrated inverter IPM with high voltage control from HV-DC to 3-phase outputs. This IPM comes in a single small System-In-a-Package (SIP) module. The STK554U392A-E IPM employs an output stage utilizing IGBT/FRD technology and implements Under Voltage Protection (UVP) and Over Current Protection (OCP) with a fault detection output flag. This IPM incorporates internal boost diodes for high-side gate boost drive. The STK554U392A-E IPM features built-in dead time for shoot-through protection.The STK554U392A-E IPM employs control inputs and status outputs that are at low voltage levels and directly compatible with microcontrollers. This IPM comes with a single control power supply due to the internal bootstrap circuit for high-side pre-driver circuits. Typical applications include motor driver modules, motor control systems, industrial/general control systems, Heating Ventilation and Air Conditioning (HVAC), clothes washers/dryers, dishwashers, and refrigerators.
Features
- Highly integrated inverter IPM
- Comes in a single SIP module
- Output stage uses IGBT/FRD technology
- Single control power supply due to an internal bootstrap circuit for high-side pre-driver circuit
- All control inputs and status outputs are at low voltage levels directly compatible with microcontrollers
- Single power supply drive is enabled through the use of bootstrap circuits for upper power supplies
- Built-in dead-time for shoot-through protection
- Open emitter output for low-side IGBTs
- Externally accessible embedded thermistor for substrate temperature measurement
- Shutdown function 'ITRIP' to disable all operations of the 6-phase output stage by external input
- UL 1557 certification
Applications
- Motor control systems
- Industrial/general control systems
- HVAC
- Clothes washers/dryers
- Dishwashers
- Refrigerators
Specifications
- 600V collector-emitter voltage (VCE)
- 450V supply voltage (VCC)
- 35W power dissipation (maximum)
- -40°C to +100°C operating case temperature range
- 56mm x 21.8mm SIP29 package
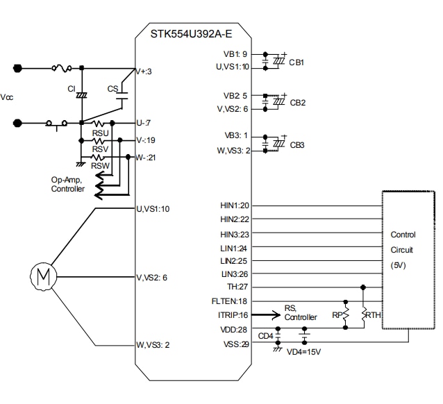
STK554U392A-E Block Diagram
STK554U392A-E Application Circuit Diagram
Additional Resources
Paskelbta: 2019-03-03
| Atnaujinta: 2024-01-19
