onsemi NCP1937 PFC & QR Flyback Controller
onsemi NCP1937 PFC and QR Flyback Controller integrates power factor correction (PFC) and quasi-resonant flyback functionality necessary to implement a compact and highly efficient Switched Mode Power Supply for an adapter application. The PFC stage exhibits a near-unity power factor while operating in a Critical Conduction Mode (CrM) with a maximum frequency clamp. The circuit incorporates all the features necessary for building a robust and compact PFC stage while minimizing the number of external components.The quasi-resonant current-mode flyback stage features a proprietary valley-lockout circuitry, ensuring stable valley switching. This onsemi system works down to the 4th valley and toggles to a frequency foldback mode with a minimum frequency clamp beyond the 4th valley to eliminate audible noise. Skip mode operation allows excellent efficiency in light load conditions while consuming low standby power consumption.
Features
- <10mW no load standby performance
- High-voltage line voltage detector
- High-voltage startup circuit and active input filter capacitor discharge circuitry
- PFC
- Bi-level line-dependent output voltage
- Boost diode short-circuit protection
- Adjustable PFC disable threshold based on output power
- QR Flyback controller
- Frequency foldback with minimum frequency clamp
- Minimum frequency clamp
- Valley switching operation with valley lockout
- Integrated high-voltage switch disconnects PFC feedback resistor divider
- Fault input for severe fault conditions
Applications
- Adapters
- Combo PFC+QR
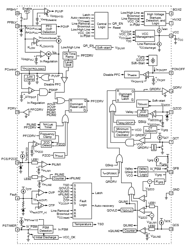
Block Diagram
Paskelbta: 2014-01-03
| Atnaujinta: 2022-03-11
