onsemi NCP3237 Integrated Synchronous Buck Converter
onsemi NCP3237 Integrated Synchronous Buck Converter integrates power MOSFETs to deliver a high-efficiency and compact power management solution. The NCP3237 supports up to 8A output current over a wide output voltage range from 0.6V to 12V (up to 80% of VIN). The NCP3237 provides a fixed frequency regulator for noise-sensitive systems in a QFN18 3.5mm x 3.5mm package.Features
- Forced CCM
- 4.7V to 16V VIN
- VOUT = 0.6V to 0.80 *VIN and up to 12V
- Integrated power MOSFETs
- Up to 8A output current
- Integrated 5V LDO
- Programmable switching frequency from 300kHz to 1.2MHz
- Both high-side and low-side OCP operation
- Hiccup over-current protection
- Hiccup over-voltage and under-voltage protection
- Recoverable thermal shutdown protection
- 3.5mm x 3.5mm, FCQFN18 package
- Safe startup into pre-biased output voltage
Applications
- Base station radio units
- Point of Load
- Telecom and networking
- Server and storage system
Typical Application Circuit
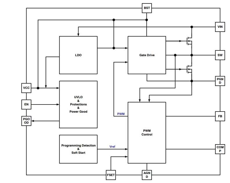
Functional Block Diagram
Paskelbta: 2021-08-09
| Atnaujinta: 2024-01-04
