onsemi LV8968BBUW Multi-Purpose BLDC Gate Driver
onsemi LV8968BBUW Multi-Purpose BLDC Gate Driver is a 3-phase BLDC/PMSM pre-driver with integrated phase voltage sensing and logic level FET compatibility. Six gate driver provides 400mA gate current to external power bridges that allow low resistance power FETs and logic level FETs. The LV8968BBUW driver features a programmable linear regulator, a fast current-sense amplifier, and a window watchdog for microcontroller support. This gate driver comes with a wide operating range and AEC-Q100 qualification that is ideal for automotive applications. The LV8968BBUW driver also provides protection and monitoring features that are suitable for ISO26262 applications.Features
- Full drive power from 8V to 28V supply voltage with transient tolerance from 4.5V to 40V
- Extended voltage range from 6V to 33V using logic-level mode
- Up to 30kHz motor PWM with individual 6-gate control or Drive-3 mode with integrated programmable dead-time
- 5V/3.3V linear regulator for external loads up to 50mA
- Extensive system protection
- Drain-source short detection for external FET
- Overcurrent shutoff
- Low gate voltage warning
- Over-temperature warning and shutoff
- Over/under-voltage protection
- SPI interface for parameter setup and diagnostic access, dynamic access to dead-time, amplifier gain, and short circuit levels
- Non-volatile (OTP) memory for storing critical system parameters
- Wide voltage enable line and PWM interface
- Integrated window watchdog timer function
- AEC-Q100 qualified and PPAP-capable
- Thermally efficient exposed die 48-pin SQFP package for transient operation up to +175°C
- Pb-free, Halogen-free/BFR-free, and RoHS-compliant
Applications
- Automotive fuel, oil, water, or hydraulic pumps
- Automotive actuators
- Automotive HVAC and cooling fans
- Battery operated hand power tools
- White goods
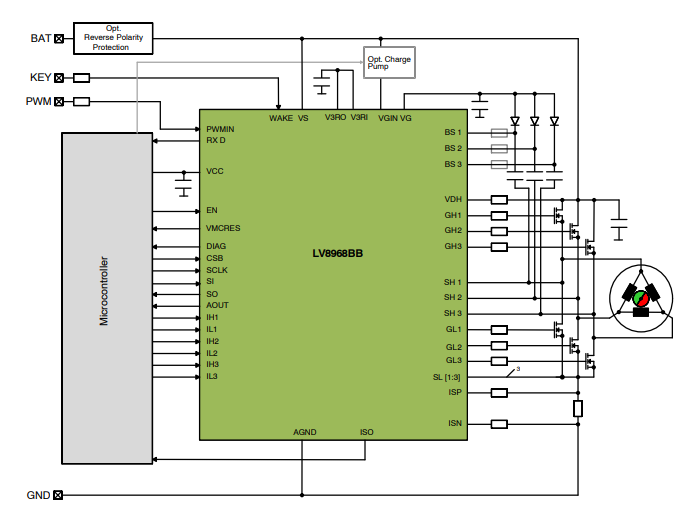
Typical Application Circuit Diagram
Block Diagram
Paskelbta: 2019-07-16
| Atnaujinta: 2024-02-06
