onsemi FOD8383/4 High-Speed MOSFET/IGBT Optocouplers
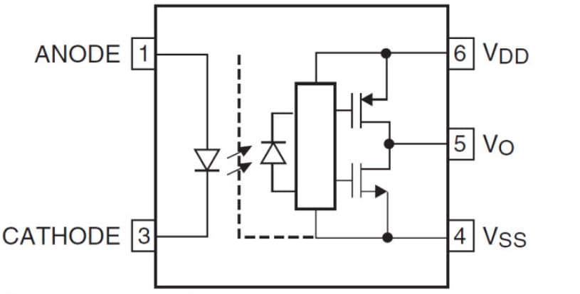
onsemi FOD8383/4 High-Speed MOSFET/IGBT Gate Drive Optocouplers are 2.5A output current gate drive optocouplers that are capable of driving medium-power IGBT/MOSFETs. They are ideally suited for fast-switching driving of power IGBT and MOSFET used in motor-control inverter applications and high-performance power systems. The onsemi FOD8383/4 utilizes Optoplanar® coplanar packaging technology and optimized IC design to achieve reliable high-insulation voltage and high-noise immunity. Each device consists of an Aluminum Gallium Arsenide (AlGaAs) Light-Emitting Diode (LED) optically coupled to an integrated circuit with a high-speed driver for push-pull MOSFET output stage.Features
- 2.5A output current driving capability
- P-channel MOSFET at output stage enables output voltage swing close to supply rail
- 35kV/μs minimum common mode rejection
- 15V to 30V supply voltage range
- Fast switching speed over full operating temperature range
- 210ns maximum propagation delay
- 65ns maximum pulse-width distortion
- Under-Voltage Lockout (UVLO) with hysteresis
- -40°C to +100°C industrial temperature range
- Safety and Regulatory Approvals:
- UL1577, 5000VACRMS for 1 minute
- DIN-EN/IEC60747-5-5, 1414V peak working insulation voltage
Applications
- AC and brushless DC motor drives
- Industrial inverter
- Uninterruptible power supply
- Induction heating
- Isolated IGBT/power MOSFET gate drive
Additional Resources
Functional Schematic
Paskelbta: 2014-09-25
| Atnaujinta: 2022-03-11
