Monolithic Power Systems (MPS) MP6605D Low-Side MOSFET Driver ICs
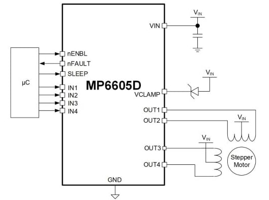
Monolithic Power Systems (MPS) MP6605D Low-Side MOSFET (LS-FET) Driver ICs are 4-channel driver ICs with parallel interfaces. These driver ICs integrate four LS-FETs and High-Side (HS) clamp diodes to drive inductive loads. The MP6605D driver ICs achieve up to 1.5A output current across a 4.5V to 60V input voltage range. These driver ICs include Over-Current Protection (OCP), Under-Voltage Lockout (UVLO) protection, and thermal shutdown. The MP6605D driver ICs feature 350mΩ MOSFET On-resistance, fault indication output, and 3.3V and 5V compatible logic supply. These driver ICs are available in a 4mm x 4mm QFN-24 package and are ideal for unipolar stepper motor and solenoid driver applications.Features
- Four LS-FETs and High-Side (HS) clamp diodes to drive inductive loads
- Over-Current Protection (OCP)
- Under-Voltage Lockout (UVLO) protection
- Thermal shutdown
- Fault indication output
- 3.3V and 5V compatible logic supply
- Available in a 4mm x 4mm QFN-24 package
Specifications
- 4.5V to 60V input voltage range
- 60V maximum winding clamp voltage (VCLAMP)
- 350mΩ MOSFET on-resistance
- ±2kV Human Body Model (HBM)
- ±2kV Charged Device Model (CDM)
- -40°C to 125°C operating junction temperature
Applications
- Unipolar stepper motors
- Solenoid drivers
Functional Block Diagram
Application Circuit Diagram
Paskelbta: 2023-06-06
| Atnaujinta: 2023-06-15
