Microchip Technology MCP8021/MCP8022 3-Phase BLDC Motor Gate Drivers
Microchip Technology MCP8021 and MCP8022 3-Phase Brushless DC (BLDC) Motor Gate Drivers contain three integrated half-bridge drivers capable of driving three external NMOS/NMOS transistor pairs. The three half-bridge drivers can deliver a peak output current of 0.5A at 12V for driving high-side and low-side NMOS MOSFET transistors. Operating within a -40°C to +165°C temperature range, the drivers feature shootthrough, overcurrent, and short-circuit protections. Sleep mode achieves a typical “key off” quiescent current of 5µA.The MCP802x devices integrate a 3.3V or 5.0V LDO regulator for host/peripheral power, an overtemperature sensor, and user-configurable functions. The user-configurable functions include dead time, blanking time, op-amp enable/disable during standby, enable/disable sleep mode, enable/disable overcurrent detection, and enable/disable gate drive undervoltage protection. The onboard 3.3V or 5.0V dropout voltage regulators can deliver 70mA of current. The voltage option is selected by part number.
Options for the MCP8021 include 28-lead 5mm x 5mm VQFN and 28-lead TSSOP-EP packages. MCP8022 is available in 40-lead 5mm x 5mm VQFN and 38-lead TSSOP-EP packages. The MCP8022 device also adds three independent operational amplifiers for general use.
Features
- AEC-Q100 Grade 0 qualified
- 3x half-bridge drivers configured to drive external high-side NMOS and low-side NMOS MOSFETs
- Independent input control for high-side and low-side NMOS MOSFET gate drives
- 0.5A typical peak output current at 12V
- Shoot-through protection
- Overcurrent and short-circuit protection
- 3x operational amplifiers (MCP8022)
- Fixed output linear regulator
- 3.3V or 5.0V at 70mA
- True current foldback
- Supply current
- 5µA typical sleep mode
- Standby mode
- <330µA for MCP8021
- <330µA for MCP8022 with op amps off
- <1300µA for MCP8022 with op amps on
- Dedicated WAKE pin for sleep mode recovery
- Dedicated FAULT pin
- Single-wire UART communications
- Voltage ranges
- 4V to 40V supply
- 6.25V to 29V operation
- Protections
- 4.5V gate drive undervoltage lockout
- 4.5V supply voltage undervoltage shutdown
- 6.25V supply voltage undervoltage lockout
- 29V overvoltage lockout
- Thermal shutdown
- Package options
- MCP8021
- 28-lead 5mm x 5mm VQFN
- 28-lead TSSOP-EP
- MCP8022
- 40-lead 5mm x 5mm VQFN
- 38-lead TSSOP-EP
- MCP8021
- -40°C to +165°C temperature range
Applications
- Automotive
- Fuel, water, and oil pumps
- Ventilation motors
- Window lifts, trunk openers, and sun roofs
- Home appliances
- Permanent Magnet Synchronous Motor (PMSM) control
- Hobby aircraft, boats, and vehicles
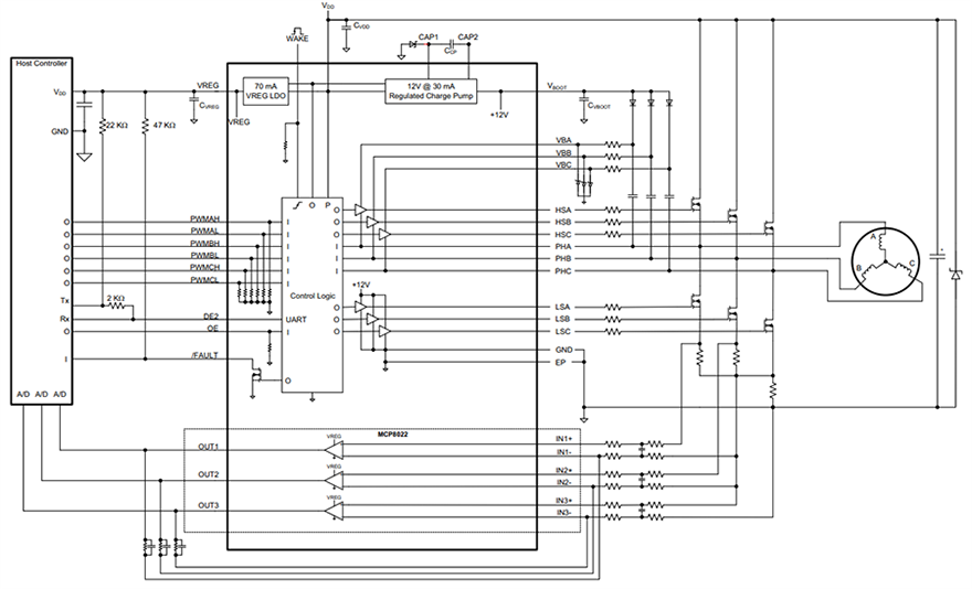
Typical Application Circuit
| Dalies Numeris | Duomenų Lapas | Darbinė Maitinimo Srovė | Išvesties Įtampa | Pakuotė / Korpusas |
|---|---|---|---|---|
| MCP8021-5015H/9PXVAO | ![]() |
1.2 mA | 5 V | VQFN-28 |
| MCP8022-3315H/NHXVAO | ![]() |
1.5 mA | 3.3 V | VQFN-40 |
| MCP8022-5015H/NHXVAO | ![]() |
1.5 mA | 5 V | VQFN-40 |

