Littelfuse CPC2501M Solid State Relay
Littelfuse CPC2501M Solid State Relay incorporates a normally closed (1-Form-B) solid state relay switch with an integrated circuit. This circuit is specifically designed to control and manage the relay state based on the applied voltage. The CPC2501M becomes a self-actuating and non-isolated solid-state relay that provides the ringing chime bypass function to ensure proper video and chime operation during video-doorbell configuration. In addition, the relay offers superior power handling of 2.5W, a fast response time of 170µs, fault protection circuitry, and a continuous load current of 1.84A. The CPC2501M solid state relay is used in applications like door chime bypass, building automation, Internet of Things (IoT), security, and voltage-controlled relay.Features
- 1-Form-B (normally closed) relay
- Internal control circuitry:
- Self actuating
- Fault protection timer
- 600mW maximum on-resistance at 25°C
- 60V peak AC or DC load voltage
- Load current:
- 1.84ARMS continuous
- 5A peak
- 170μs maximum fast turn-on
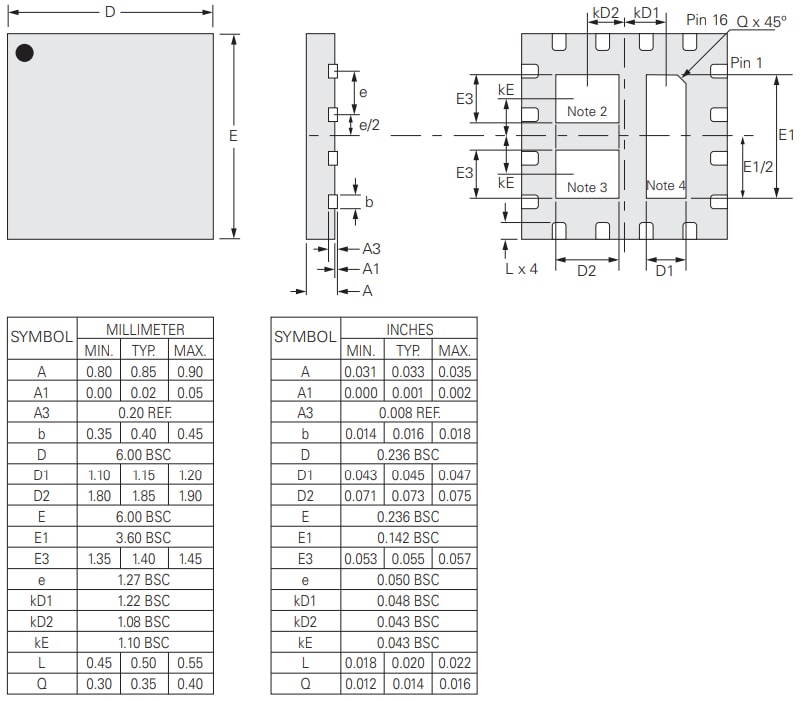
- Small 6mm x 6mm thermally enhanced QFN package
Applications
- Video doorbell
- Door chime bypass
- Building automation
- Internet of Things (IoT)
- Security
- Voltage-controlled relay
Typical Video Doorbell Application Circuit
Functional Block Diagram
Mechanical Dimensions
Paskelbta: 2025-05-02
| Atnaujinta: 2025-05-22
