Kinetic Technologies KTA1136 IEEE 802.3af PoE Powered Device (PD)
Kinetic KTA1136 IEEE 802.3af PoE Powered Device (PD) is a single-chip, highly integrated CMOS solution for 13W Power over Ethernet (PoE) Powered Devices. Applications include Voice over IP (VoIP) phones, Wireless LAN Access Point, Security Cameras, WiMAX Terminals, Point-of-Sales Terminals, RFID Readers, Thin Clients, and Notebook computers. The KTA1136 integrates input surge protection, a PD controller with a 100V hot-swap FET, a DC-DC controller, and a robust 150V switching power MOSFET. The KTA1136 implements all the physical layer Powered Device (PD) functionality, as required by IEEE 802.3af-2003 standards. This functionality includes PD detection, classification, under-voltage lockout (UVLO), and HotSwap FET integration. The KTA1136 also supports Type 1 operation for IEEE 802.3at-2009 and IEEE 802.3bt-2018.The Kinetic KTA1136 has been architected to address EM emission concerns and surge/over-voltage protection in PoE applications. The chip implements many design features that minimize transmission of system common-mode noise onto the Unshielded Twisted Pair (UTP). On-chip integration of surge protection provides a faster response to surge events and limits stray surge current from passing through sensitive circuits, such as the Ethernet PHY. The device provides safe, low-impedance discharge paths directly to the earth's ground, resulting in superior reliability and circuit protection.
Features
- Compliant to IEEE® Std. 802.3af-2003 and supports Type 1 operation for IEEE® 802.3at-2009 and IEEE® 802.3bt-2018
- Integrated DC-DC Controller with robust 150V, 0.7Ω (Typ.) supporting both isolated and nonisolated applications
- Low RDS_ON hot-swap FET, 0.49Ω (Typ.)
- Adjustable switching frequency from 100kHz to 800kHz
- Programmable DC-DC current limit
- Integrated surge protection for 15kV/8kV system-level ESD compliance
- Exceptional EMI performance
- Integrated short-circuit protection
- Over temperature protection
- RoHS & Pb Free 4x4 mm, 16 lead TQFN package
- Industrial temperature range (-40°C to +85°C)
Applications
- Pan, tilt and zoom (PTZ), security and web cameras
- Voice over IP (VoIP) phones
- Wireless LAN access points, biometric authentication
- Point-of-sale (POS) terminals, RFID terminals
- Thin clients and IoT appliances
- Fiber-to-the-home (FTTH) terminals
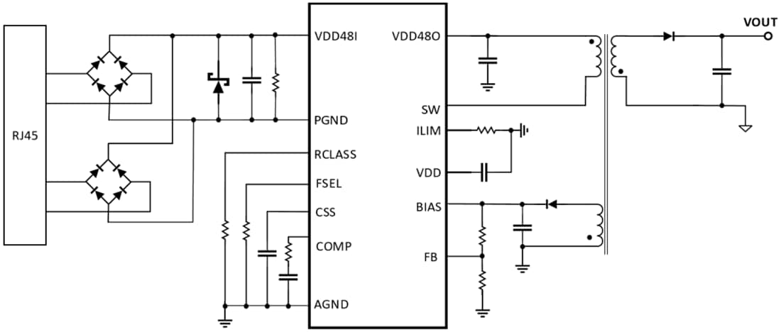
Typical Application
Paskelbta: 2021-05-24
| Atnaujinta: 2022-03-11
