KEMET FLLD Series High Performance EMI Filters
KEMET FLLD Series High-Performance EMI Filters are general-purpose, compact filters with terminal blocks for quick installation in industrial equipment. The FLLD Series is optimized in geometry, with high insertion-loss characteristics. KEMET FLLD Series Filters are suitable for switch-mode power supplies, robotics, battery chargers, converters, UPS machines, and other industrial applications.Applications
- Switch-mode power supplies
- Servo drives
- Robotics
- Regenerative drives
- Battery chargers
- Inverters
- Converters
- Power drives
- UPS machines
- Process automation
- Other industrial applications
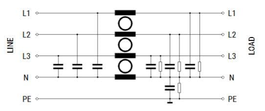
FLLD3 Typical Application Schematic
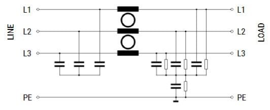
FLLD4 Typical Application Schematic
Paskelbta: 2018-02-15
| Atnaujinta: 2023-08-29
