Infineon Technologies REF_Audio_GaNb_750W Evaluation Board
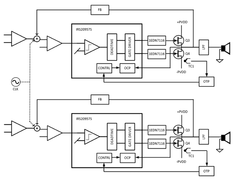
Infineon Technologies REF_Audio_GaNb_750W Evaluation Board features the 100V CoolGaN™ transistors combined with the MERUS™ IRS20957S class D audio driver ICs. This two-channel design is scalable to 375W x 2-channel at 2Ω without a heatsink. The design includes all the required power supplies and connectors for ease of use and lab bench evaluation. This topology represents an analog implementation of a second-order sigma-delta modulator with a Class D switching stage in the loop.
The benefit of the sigma-delta modulation, in comparison to the carrier-signal based modulation, is that all the error in the audible frequency range is shifted to the inaudible upper-frequency range by the nature of its operation. Additionally, sigma-delta modulation enables the designer to apply sufficient error correction. The Infineon Technologies REF_Audio_GaNc_750W Evaluation Board is ideal for audio amplifier solution applications.
Features
- 375W x 2-channels (> 10% THD+N, 2Ω at ±36V)
- 240W x 2-channels (> 10% THD+N, 4Ω at ±40V)
- Heatsinkless design
- High and low-side overcurrent protection
- Overvoltage protection
- High and low-side undervoltage protection
- Overtemperature protection
- Self-oscillating half-bridge topology
- Onboard clock synchronization
- Superior power density with CoolGaN™
- Clean switching performance
- Narrow deadtime for better THD
- Low 30µV residual noise
- IHF-A weighted, AES-17 filter
- Easy to use
- Compatible with the MERUS™ driver
Simplified Block Diagram
