Infineon Technologies EZ-PD™ CCG7SC USB-C PD & DC-DC Controllers
Infineon Technologies EZ-PD™ CCG7SC Single-port USB-C™ Power Delivery and DC-DC Controllers are highly integrated for single and multiport charging applications. The EZ-PD CCG7SC complies with USB-C and PD specifications. The Infineon PD solution with DC-DC controller includes an on-chip 32-bit ARM® Cortex®-M0 MCU, which allows the implementation of custom functions such as source policy management, load-sharing, and system peripheral control using PWMs, I2C, and SPI.Features
- USBPD
- Supports 1x USBPD port
- Supports USBPD 3.1, including programmable power supply (PPS) mode
- Extended data messaging
- Type-C
- Configurable resistors Rp and Rd
- VBUS provider NFET gate driver
- Integrated 100mW VCONN power supply and control
- 1x buck-boost controller, 150kHz to 600kHz switching frequency
- 4.5V to 24V input, 40V tolerant
- 3.3V to 21.5V output
- 20mV voltage and 50mA current steps for PPS
- Supports selectable pulse skipping mode (PSM) and forced continuous current/conduction mode (FCCM)
- Supports soft start
- Programmable spread spectrum frequency modulation for low EMI
- System-level fault protection
- On-chip VBUS overvoltage protection (OVP), overcurrent protection (OCP), and undervoltage protection (UVP)
- VBUS to CC short protection
- Under-voltage lockout (UVLO)
- Supports over-temperature protection through an integrated ADC circuit and internal temperature sensor
- Supports connector and board temperature measurement using external thermistors
- 1x legacy/proprietary charging block, supports Qualcomm QC 2.0/3.0/4.0/5.0, Apple charging 2.4A, Samsung adaptive fast charging (AFC), and USB BC 1.2
- 32-bit MCU subsystem
- 48MHz Arm® Cortex®-M0 CPU
- 128KB flash
- 16KB SRAM
- 32KB ROM
- Peripherals and GPIOs
- Up to 13x GPIOs, including 2x overvoltage GPIOs
- 2x 8-bit ADCs
- 8x 16-bit timer/counter/PWM (TCPWM)
- 3x SCBs for communication interfaces (I2C/SPI/UART/LIN)
- Integrated oscillator eliminating the need for an external clock
- Power supply
- 4V to 24V input (40V tolerant)
- 3.3V to 21.5V output
- Integrated LDO capable of 5V at 75mA
- 40-pin QFN (6mm x 6mm) package with -40°C to +105°C extended industrial temperature range
Applications
- USB-C multiport chargers and adapters
- USB-C docking downstream facing ports
- Wireless/PD chargers
- Cigarette lighter adapters (CLAs)
Logic block diagram
Functional block diagram
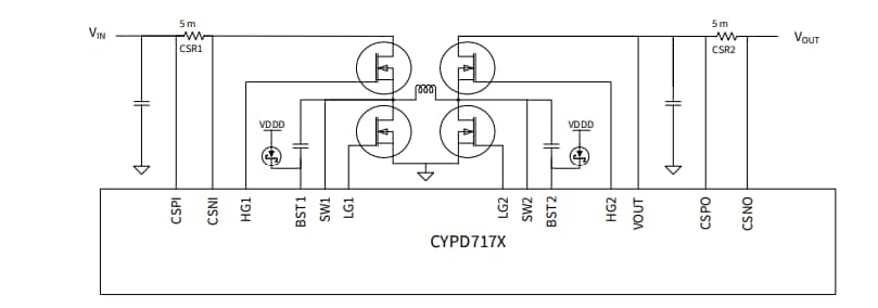
Buck-boost schematic with external components
Paskelbta: 2023-09-06
| Atnaujinta: 2025-07-15
