Cincon CBM70S 70W AC-DC Brick Power Supplies
Cincon CBM70S 70W AC-DC Brick Power Supplies are highly efficient, reliable, compact, high power density, single output AC/DC power modules that are fully protected against short circuit and over-voltage conditions. The all-in-one CBM70S power supplies are packaged in a 17mm ultra-low-profile half-brick package that is baseplate cooled and does not require a fan. Features include a wide operating temperature range, efficiency up to 89.5%, and a universal input range of 90VAC to 264VAC. The Cincon CBM70S 70W AC-DC Brick Power Supplies also offers a built-in EN55032 Class B filter and Safety IEC/EN/UL 62368-1 approval.Features
- Universal input range of 90VAC to 264VAC
- Efficiency up to 89.5%
- Full load with baseplate cooled and no fan required
- Wide operating temperature range
- 17mm ultra-low-profile half-brick package
- Built-in EN55032 Class B filter
- All-in-one without external components
- <150mW no-load input power consumption
- Continuous short-circuit, overvoltage, and overtemperature protection
- Safety IEC/EN/UL 62368-1 approval
- Meets Class Ⅰ
- 5000m operating altitude
Specifications
- 12V, 24V, 35V, and 48V output voltage options
- 1.46A to 5.83A output current range
- 120mV to 480mV ripple and noise range
- ±1.0% voltage accuracy
- ±0.5% line regulation
- ±1% load regulation
- Single output
- Input
- 90VAC to 264VAC input voltage range
- 100VAC to 240VAC operating voltage range
- 47Hz to 63Hz input frequency range
- 1.5A maximum input current
- 3.5mA leakage current
- 100A inrush current
- 63VAC to 77VAC under-voltage protection range
- Output
- 6ms holdup time
- ±10% output voltage trim range
- 110% to 150% over current protection
- 16VDC to 63VDC overvoltage protection range
- 1460µF to 5830µF load capacitance
- Isolation
- 3000VAC input to output
- 1800VAC input to earth (ground)
- 500VAC output to earth (ground)
- 100MΩ minimum isolation resistance
- 65kHz switching frequency
- 93% relative humidity, non-condensing
- -40°C to +85°C operating/storage temperature range
- 5000m operating altitude
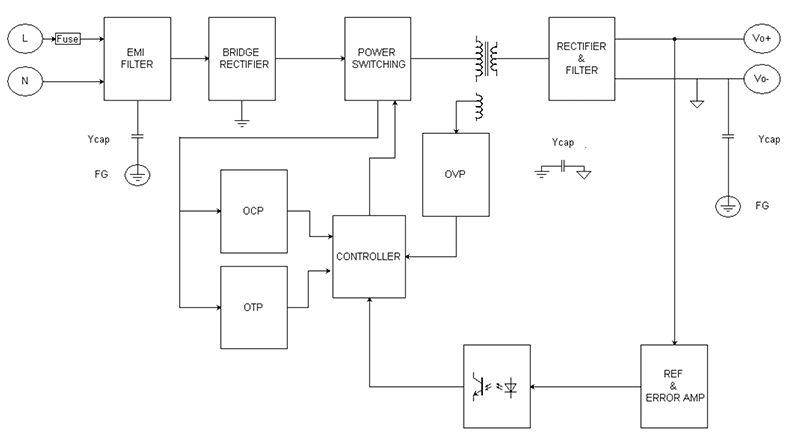
Electrical Block Diagram
Additional Resources
Paskelbta: 2021-05-14
| Atnaujinta: 2024-10-02
