The ACFL-3161 Optocouplers are designed with high peak driving current capability to ensure optimum performance for direct driving SiC MOSFET or IGBT in various applications. The device supports a fast propagation delay and tight dead time distortion, making it ideal for driving SiC MOSFET and IGBTs at a high frequency.
Features
- –40°C to +125°C Industrial temperature range
- 10A peak High output driving current
- Rail-to-rail output voltage
- 95ns max. Propagation delay
- 35ns max. Deadtime distortion
- 15V to 30V Wide operating supply (VDD) range
- Under Voltage Lock-out (UVLO) protection with hysteresis
- IDD = 4mA max. Low supply current allows bootstrap half-bridge topology
- 100kV/μs at VCM = 1000V Common Mode Transient Immunity (CMTI)
- High noise immunity
- Direct LED input with low input impedance and low noise sensitivity
- Single-channel in SO-12 package with 8mm creepage and clearance
- Regulatory approvals:
- UL1577 5k Vrms for 1 min
- CAN/CSA-C22.2 No. 62368-1
- IEC 60747-5-5VIORM = 1230VPEAK
Applications
- Motor drive for Industrial automation and robotics
- Power supply and charger
- Renewable energy inverter and storage
Videos
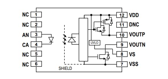
Functional Diagram
Paskelbta: 2021-11-03
| Atnaujinta: 2022-10-25

