Bourns PER56 Long-Life Incremental Ring Encoder
Bourns PER56 Long-Life Incremental Ring Encoder offers a 56mm package diameter with 10mA at 5VDC circuit compatibility and 2-bit quadrature code output. This low-profile incremental encoder features a ring interface that allows illumination or the installation of other components in the center. It provides haptic detent feedback, a through-hole mounting style, and is sealable to IP40. Other features include a 50,000 rotational cycle rating, 15PPR resolution range, 60RPM maximum rotational speed, and an operating temperature range of -20°C to +70°C. Bourns PER56 Long-Life Incremental Ring Encoder is designed for use in professional audio and lighting applications, low- to medium-risk medical and laboratory equipment as well as in industrial automation controls and other applications where a menu select encoder is required.Features
- Low-profile incremental encoder with 56mm package diameter
- THT mounting style
- Haptic detent feedback
- Sealable to IP40 rating
- RoHS compliant
Applications
- Professional lighting consoles
- Consumer white goods
- Low- to medium-risk medical and diagnostic equipment
- Test and measurement equipment
- Communications equipment
- Laboratory equipment
- Industrial automation controls
Specifications
- 50,000 rotational cycle rating
- 15PPR resolution range
- 60RPM maximum rotational speed
- 10mA at 5VDC circuit compatibility
- 2-bit quadrature code output
- -20°C to +70°C operating temperature range
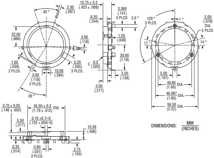
Dimensions
Paskelbta: 2021-04-28
| Atnaujinta: 2022-03-11
