Bel Fuse 3PH Three-Phase Transformers
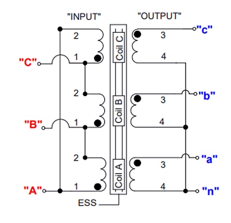
Bel Fuse 3PH Three-Phase Transformers are mechanically rigid transformer units, adaptable to multiple industrial, commercial, manufacturing, and medical requirements. The transformers feature a design configuration for three-phase DELTA input and WYE output, which provide greater current balance and a supply line neutral point. Bel Fuse 3PH Three-Phase Transformers offer a value-added electrostatic shield (ESS) between input/output windings, preventing undesirable signal feed-through. The 3PH series has a 4kVAC dielectric withstanding rating with a low leakage current capability, making it well suited for power conversion. The 3PH three-phase transformers are RoHS/REACH compliant and ideal for medical, industrial, lighting, electric vehicle (EV) charging, and green energy applications.Features
- High-quality silicon steel laminations
- Minimizes core loss
- Optimized performance
- Copper magnet wire for efficient operation
- PVC stranded lead wires (UL 1015 600V 105°C)
- CBB, where applicable
- Copper foil shield (ESS)
- Small footprint
- RoHS/REACH compliant
Applications
- Medical
- Industrial
- Lighting
- EV charging
- Green energy
Specifications
- +130°C max temperature rise
- 4kVAC dielectric withstanding rating
- 50Hz to 60Hz operating frequency
- +180°C insulation system
- 2kVA to 35kVA apparent power
- 500VAC max input voltage
- 70Arms max load current
- >93% efficiency
Mechanical Drawing
Application Circuit Diagram
Paskelbta: 2023-11-30
| Atnaujinta: 2023-12-12
