ATOP 25 Gigabit per Second Transceivers
ATOP Technologies 25 Gigabit per Second Transceivers are designed for 25 Gigabit Ethernet applications. The APS8BxxB53xDL10 Single-mode Transceiver is an SFP28 module for duplex optical data communications support up to 25.78Gb/s. With the SFP+ 20-pin connector, the device allows hot-plug capability. The APS8BxxB53xDL10 Transceiver digital diagnostic functions are available via an I2C and have a built-in clock and data recovery (CDR). The APS8BxxB53xDL10 Transceiver is ideal for single-mode fiber and operates at a nominal wavelength of 1270/1330nm.The ATOP APSP885B53CDL01 Short Wavelength Transceiver is a single-channel, pluggable, fiber-optic SFP28 for 25 Gigabit Ethernet and Infiniband EDR applications. Digital diagnostic functions are available via an IC, and the APSP885B53CDL01 has a built-in clock and data recovery (CDR). The APSP885B53CDL01 incorporates ATOP Technologies proven circuit and VCSEL technology to provide reliable long life, high performance, and consistent service.
Features
- Hot-pluggable SFP28 footprint
- RoHS compliant and lead free
- Metal enclosure for lower EMI
- APSP885B53CDL01
- Duplex LC connector
- 850nm VCSEL laser
- 100m over MMF (50/125um OM4)
- 70m over MMF (50/125um OM3)
- Power dissipation <1W (0~70°C)
- Commercial operating temperature optional
- APS8BxxB53xDL10
- Signal LC connector
- Operating data rate up to 25.78Gbps
- Uncooled 1270/1330nm DFB laser
- Distance up to 10km on 9/125um SMF
- Power dissipation <1.2W
- Commercial / industrial operating temperature optional
Applications
- 25GBASE-SR Ethernet
- CPRI/eCPRI
Additional Resources
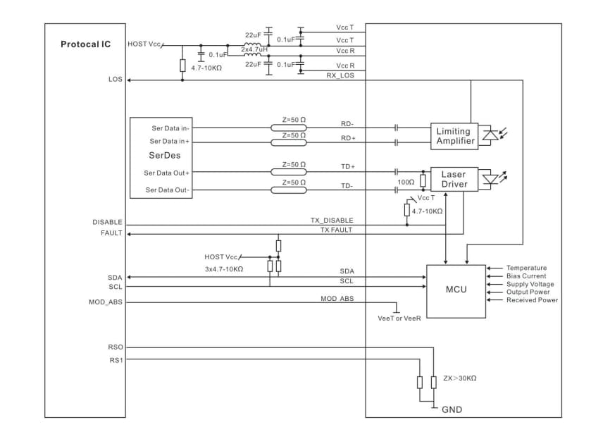
Block Diagram
Paskelbta: 2021-03-29
| Atnaujinta: 2022-03-11
