Analog Devices / Maxim Integrated TMC2225 Stepper Driver

Analog Devices / Maxim Integrated TMC2225 Stepper Driver provides an integrated motor driver solution for 3D printing, cameras, scanners, and other automated equipment applications. The TMC2225 features StealthChop silent drive technology, ensuring noiseless operation, maximum efficiency, and excellent motor torque. Fast current regulation and an optional combination with SpreadCycle allow for highly dynamic motion. Integrated power-MOSFETs handle motor current up to 1.4ARMS. Protection and diagnostic features support robust and reliable operations. A simple-to-use UART interface opens up more tuning and control options. Application-specific tuning can be stored in OTP (One-Time Programmable) memory.

The Analog Devices TMC2225 Stepper Driver is offered in an HTSSOP package with an exposed pad for high thermal performance.

Features

  • Step/Dir driver for two-phase bipolar stepper motors up to 2A coil current (peak)
  • STEP/DIR interface with 4, 8, 16, or 32 micro-step pin setting
  • Smooth running 256 micro-steps by MicroPlyer™ interpolation
  • StealthChop2™ silent motor operation
  • SpreadCycle™ highly dynamic motor control chopper
  • Pin selection for chopper scheme
  • Low RDS(on) at 25°C
    • Low-side: 280mΩ
    • High-side: 290mΩ
  • 4.75V to 36.0VDC voltage range
  • Automatic standby current reduction option
  • Internal sense resistor option (no sense resistors required)
  • Passive braking and freewheeling
  • Single wire UART and OTP for advanced configuration options
  • Integrated pulse generator for standalone motion
  • Full protection and diagnostics
  • HTSSOP28 package
  • RoHS-compliant

Applications

  • 3D printers
  • Printers
  • Point of Sale
  • Office and home automation
  • Sewing machines
  • CCTV
  • Security
  • ATMs
  • Cash recyclers
  • HVAC

Block Diagram

Block Diagram - Analog Devices / Maxim Integrated TMC2225 Stepper Driver

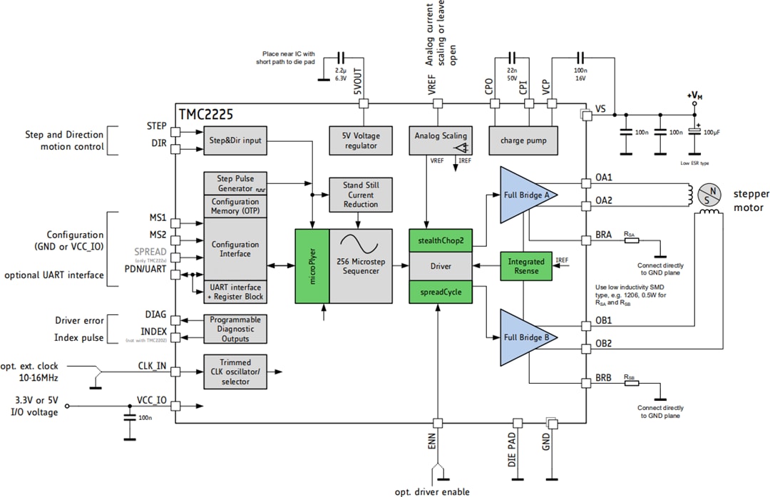
Typical Application Circuit

Application Circuit Diagram - Analog Devices / Maxim Integrated TMC2225 Stepper Driver

Package Outline

Mechanical Drawing - Analog Devices / Maxim Integrated TMC2225 Stepper Driver

Videos

Paskelbta: 2021-03-29 | Atnaujinta: 2026-02-03