Analog Devices Inc. MAXM17630, MAXM17631, & MAXM17632 Power Modules

Analog Devices Inc. MAXM17630, MAXM17631, and MAXM17632 Himalaya, uSLIC™, Step-Down Power Modules are enabled for cooler, smaller, and simpler power supply solutions. The MAXM17630, MAXM17631, and MAXM17632 are high-efficiency, synchronous step-down DC-DC modules with an integrated controller, MOSFETs, compensation components, and inductor that operate over a wide input-voltage range.

The power modules operate from 4.5V to 36V and deliver up to 1A output current. The MAXM17630 and MAXM17631 are fixed 3.3V and 5V output modules, respectively. The MAXM17632 is an adjustable output (0.9V to 12V) module. The devices offer a true plug-and-play power supply solution, significantly reducing design complexity, manufacturing risks, and time to market. Built-in compensation across the output voltage range eliminates the need for external compensation components.

The MAXM1763x power modules feature peak-current-mode control architecture and can be operated in pulse width modulation (PWM), pulse-frequency modulation (PFM), or discontinuous-conduction mode (DCM) to enable high efficiency under light-load conditions. The feedback-voltage regulation accuracy over -40°C to +125°C for the module family is ±1.2%.

The MAXM1763x power modules are available in a low-profile, compact 16-pin, 3mm x 3mm x 1.75mm, uSLIC™ package. Simulation models are also available.

Features

  • Easy to use
    • Wide 4.5V to 36V input
    • Adjustable 0.9V to 12V output (MAXM17632)
    • Fixed 3.3V and 5V output versions (MAXM17630 and MAXM17631)
    • 400kHz to 2.2MHz adjustable frequency with external clock synchronization
    • ±1.2% feedback accuracy
    • Up to 1A output current
    • Internally compensated
    • All ceramic capacitors
  • High efficiency
    • Selectable PWM-, PFM- or DCM-mode of operation
    • Auxiliary bootstrap supply (EXTVCC) for improved efficiency
    • Shutdown current as low as 2.8μA (typical)
  • Flexible design
    • Adjustable and monotonic startup with pre-biased output voltage
    • Built-in output-voltage monitoring with RESET pin
    • Programmable EN/UVLO threshold
  • Robust operation
    • Hiccup-mode overload protection
    • Overtemperature protection
    • -40°C to +125°C ambient operating temperature range
    • -40°C to +150°C junction temperature range
  • Rugged
    • Complies with CISPR22(EN55022) Class B conducted and radiated emissions
    • Passes drop, shock, and vibration standards: JESD22-B103, B104, B111

Applications

  • Industrial control power supplies
  • General purpose point-of-load
  • Distributed supply regulation
  • Base station power supplies
  • High voltage single board systems
  • Programmable logic controllers

Videos

MAXM17631 Typical Application

Application Circuit Diagram - Analog Devices Inc. MAXM17630, MAXM17631, & MAXM17632 Power Modules

MAXM17632 Typical Application

Application Circuit Diagram - Analog Devices Inc. MAXM17630, MAXM17631, & MAXM17632 Power Modules

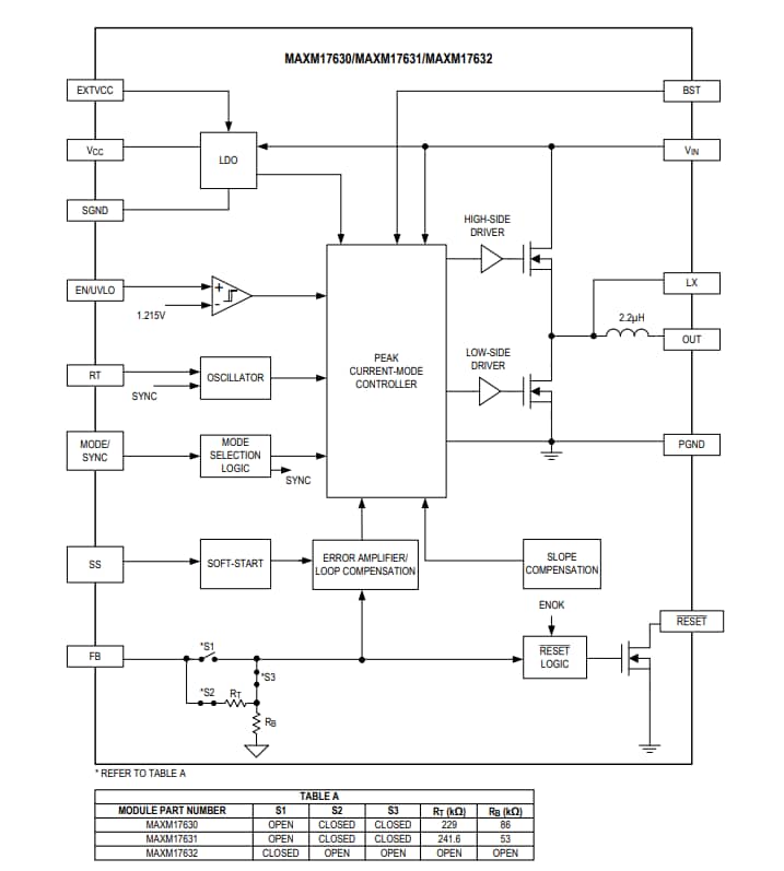
Functional Diagram

Block Diagram - Analog Devices Inc. MAXM17630, MAXM17631, & MAXM17632 Power Modules
Paskelbta: 2020-02-18 | Atnaujinta: 2025-08-07