Analog Devices / Maxim Integrated MAX8556/MAX8557 LDO Regulators
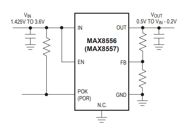
Analog Devices Inc. MAX8556/MAX8557 low-dropout (LDO) linear regulators operate from input voltages as low as 1.425V and are able to deliver up to 4A of continuous output current with a typical dropout voltage of only 100mV. The output voltage is adjustable from 0.5V to VIN - 0.2V. Designed with an internal p-channel MOSFET pass transistor, the MAX8556/MAX8557 maintain a low 800µA typical supply current, independent of the load current and dropout voltage. Using a p-channel MOSFET eliminates the need for an additional external supply or a noisy internal charge pump. Other features include a logic-controlled shutdown mode, built-in soft-start, short-circuit protection with foldback current limit, and thermal-overload protection.The MAX8556 features a POK output that transitions high when the regulator output is within ±10% of its nominal output voltage. The MAX8557 offers a power-on reset output that transitions high 140ms after the output has achieved 90% of its nominal output voltage. The MAX8556/MAX8557 are available in a 16-pin thin QFN 5mm x 5mm package with exposed paddle.
Features
- 1.425V to 3.6V Input voltage range
- Guaranteed 4A output current
- ±1% Output accuracy over load/line/temperature
- 100mV Dropout at 4A load (typ)
- Built-in soft-start
- 800µA (typ) Operating supply current
- 150µA (max) Shutdown supply current
- Short-circuit current foldback protection
- Thermal-overload protection
- ±10% Power-OK (MAX8556)
- 140ms Power-on reset output (MAX8557)
- Fast transient response
- 16-Pin thin QFN (5mm x 5mm) package
Applications
- Automated Test Equipment (ATE)
- Networking
- Optical modules
- Point-of-Load supplies
- Servers and storage devices
- Wireless base stations
Typical Operating Circuit
Paskelbta: 2014-02-11
| Atnaujinta: 2023-04-18
