Analog Devices / Maxim Integrated MAX77658 Ultra-Low Power PMICs

Analog Devices MAX77658 Ultra-Low Power PMICs allow highly integrated battery charging and power supply solutions for low-power applications where size and efficiency are critical. The MAX77658 offers a SIMO buck-boost regulator with three highly efficient and independently programmable power rails from a single inductor to minimize the total solution size. Furthermore, two 150mA LDOs deliver ripple rejection for audio and other noise-sensitive applications. The LDOs can also be configured as load switches to manage power consumption by disconnecting external blocks when not required.

A highly configurable linear charger supports a wide range of Li+ battery capacities and includes battery temperature monitoring for additional safety (JEITA). The fuel gauge implements the ModelGauge™ m5 EZ algorithm with ultra-low power. The IC provides excellent performance for batteries with 10mAhr to 1Ahr capacity.

Analog Devices MAX77658 PMICs include three GPIOs and an analog multiplexer that chooses between several internal voltages and current signals to an external node for monitoring with an external ADC. A bidirectional I2C serial interface permits configuring and checking the status of the devices. An internal on/off controller supplies a controlled startup sequence for the regulators and equips supervisory functionality while they are on. Numerous factory programmable options allow the device to be tailored for many applications, enabling faster time to market.

Features

  • Highly integrated
    • 3x output, Single-Inductor Multiple-Output (SIMO) buck-boost regulator
      • Supports wide output voltage range from 0.5V to 5.5V for all SIMO channels
      • Delivers up to 750mA total load current
      • SBB2 can be configured to a 1.5A peak inductor current limit to support a heavily loaded rail
    • 2x 150mA LDO/LSW
    • Smart Power Selector™ Li+/Li-poly charger
    • 3x GPIO resources
    • Analog MUX output for power monitoring
    • Low power mode of <700nA IQ
    • Watchdog timer
  • Charger optimized for small Li-Ion battery size
    • Programmable fast-charge current from 7.5mA to 300mA
    • Programmable battery regulation voltage from 3.6V to 4.6V
    • Programmable termination current from 0.375mA to 45mA
    • JEITA battery temperature monitor adjusts charge current and battery regulation voltage for safe charging
  • Low power
    • 1μA shutdown current
    • 11.2μA operating current (3 SIMO Channels + 2 LDOs + fuel gauge)
  • Fuel gauge ModelGauge™ m5 EZ
    • No calibration is required for EZ performance
    • Robust performance against battery variation
    • Die-temperature or external thermistor measurement capability
    • Integrated internal current sensing using an internal sense resistor
    • Compensates for age, current, and temperature
    • Does not require empty, full, or idle states
  • Flexible and configurable
    • I2C-compatible interface and GPIO
  • Small size
    • 9.55mm2 Wafer-Level Package (WLP)
    • 36-bump, 0.5mm-pitch, 6x6 array

Applications

  • BLUETOOTH® headphones and hearables
  • Wireless speakers
  • Wearables
  • Safety and security monitors
  • Sensor nodes
  • Internet of Things (IoT)

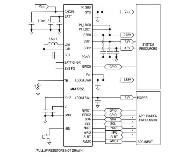
Simplified Block Diagram

Block Diagram - Analog Devices / Maxim Integrated MAX77658 Ultra-Low Power PMICs
Paskelbta: 2023-01-31 | Atnaujinta: 2024-05-03