Analog Devices / Maxim Integrated MAX25530 Automotive 4-Channel Backlight Driver
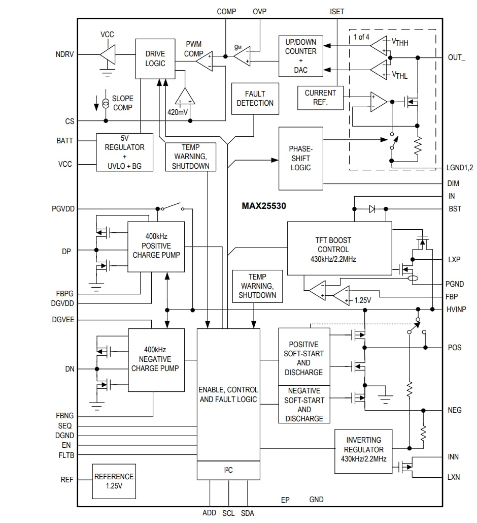
Maxim Integrated MAX25530 Automotive I2C-Controlled 4-Channel 150mA Backlight Driver is designed for automotive TFT-LCD applications. The MAX25530 integrates one buck-boost converter, one boost converter, two gate-driver supplies, and a boost/SEPIC converter that can power one to four strings of LEDs in the display backlight.The source-driver power supplies of the MAX25530 consist of a synchronous boost converter and an inverting buck-boost converter that can generate voltages up to +18V and down to -7V. The positive source driver can deliver up to 120mA, while the negative source driver can 100mA.
The startup and shutdown sequences for all power domains are controlled using one of the seven preset modes, which are selectable through a resistor on the SEQ pin or through the I2C interface.
ADI MAX25530 is available in a 40-pin (6mm x 6mm) TQFN package with an exposed pad and operates over the -40°C to +105°C ambient temperature range.
Features
- 4-Output TFT-LCD bias power
- 2.8V to 5.5V input for the TFT-LCD section
- Integrated 430kHz or 2.2MHz boost and buckboost converters
- Positive and negative 10mA gate voltage
- Regulators (tripler/inverting doubler) with adjustable output voltage
- Flexible resistor-programmable sequencing through the SEQ pin
- Undervoltage detection on all outputs
- Low-quiescent-current standby mode
- 4-Channel LED backlight driver
- Up to 150mA current per channel
- 4.5V to 42V Input voltage range
- Integrated boost/SEPIC controller (440kHz or 2.2MHz)
- Dimming ratio 10,000:1 at 200Hz
- Adaptive voltage optimization to reduce power dissipation in the LED current sinks
- Open-string, shorted-LED, and short-to-GND diagnostics
- Low EMI
- Phase-shift dimming of LED strings
- Spread spectrum on LED driver and TFT
- Selectable switching frequency
- I2C interface for control and diagnostics
- Fault indication through the FLTB pin and I2C
- Auto-retry after fault detection
- Overload and thermal protection
- -40°C to +105°C Ambient temperature operation
- 40-Pin (6mm x 6mm) TQFN package with exposed pad
- AECQ100 grade 1
Applications
- Automotive dashboards
- Automotive central information displays
- Automotive head up displays
- Automotive navigation systems
Block Diagram
Paskelbta: 2021-04-05
| Atnaujinta: 2023-04-13
