Analog Devices Inc. MAX26040 Buck-Boost Converters
Analog Devices MAX26040 Buck-Boost Converters offer integrated high-side and low-side switches. The small, synchronous converters feature up to 1.2A with input voltages from 4.5V to 36V while using only 52μA quiescent current at no load. The devices supply an accurate output voltage of ±2%. Voltage quality can be monitored by the power-good (PGOOD) signal.The ADI MAX26040 employs a fixed output voltage of 5V and a programmable range of 4V to 15V. The frequency is adjustable from 220kHz to 2.2MHz, allowing small external components and decreased output ripple. The ICs can operate with spread-spectrum frequency modulation, which was created to minimize electromagnetic interference (EMI)-radiated emissions due to the modulation frequency.
The MAX26040 is housed in a small (4mm x 4mm) 20-pin, side-wettable TQFN package and uses few external components.
Features
- High voltage, high efficiency, low power
- 4.5V to 36V supply operation
- Tolerates input transients up to 40V
- EN pin compatible from 3.3V to 40V
- 1.2A (max) output current
- -40°C to +125°C temperature range
- Increased efficiency with reduced Bill of Materials (BOM) cost and board space
- Integrated Field-Effect Transistors (FETs) H-bridge architecture
- Fixed output voltages
- 20-Pin SWTQFN package
- Low quiescent current helps designers meet stringent Original Equipment Manufacturer (OEM) current requirements
- 52μA quiescent current when in standby mode
- 10μA (max) quiescent current in shutdown mode
- High switching frequency allows the use of small external components
- 200kHz to 2.2MHz operating frequency
- Skip mode for efficient low-power operation
- Fixed-frequency Pulse-Width Modulation (PWM) mode
- External frequency synchronization
- Reduced EMI emissions at the switching frequency - spread spectrum can be enabled or disabled
Applications
- Telecom, servers, and networking equipment
- 12V/24V industrial applications
- Point-of-Load (POL) power supply
Typical Operating Circuit
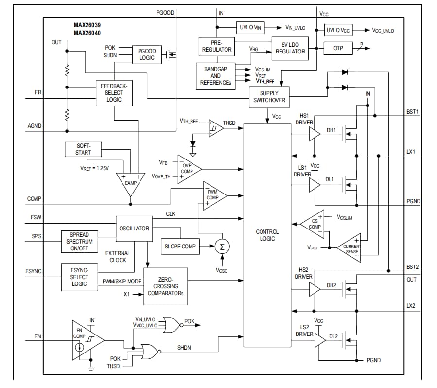
Functional Diagram
Paskelbta: 2025-05-15
| Atnaujinta: 2025-06-03
