Analog Devices Inc. LTM2985 Digital Temperature Measurement System
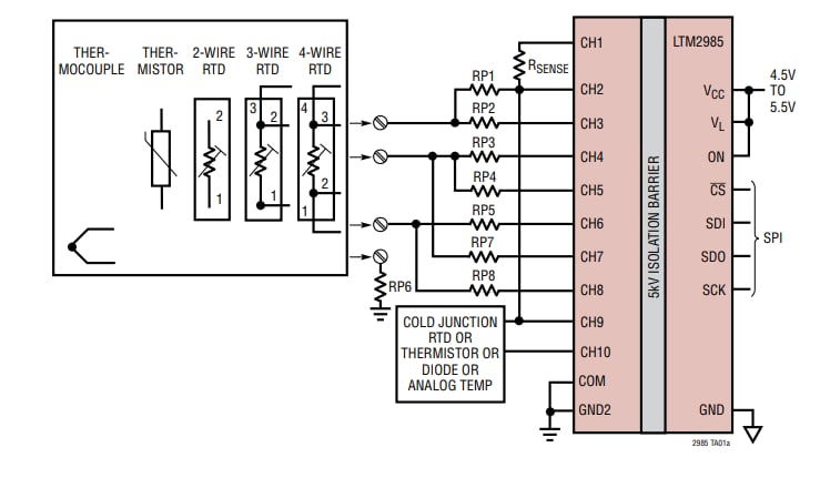
Analog Devices Inc. LTM2985 Isolated High Accuracy Digital Temperature Measurement System measures a wide variety of temperature sensors and digitally outputs the result, in °C or °F, with 0.1°C accuracy and 0.001°C resolution. The LTM2985 measures the temperature of virtually all standard (Type B, E, J, K, N, S, R, T) or custom thermocouples. The device automatically compensates for cold junction temperatures and linearizes the results. Additionally, the LTM2985 Digital Temperature Measurement System measures temperature with standard 2-, 3- or 4-wire RTDs, thermistors, and diodes.The LTM2985 features excitation current sources and fault detection circuitry appropriate for each type of temperature sensor.
The LTM2985 offers an isolated 10-channel temperature measurement system software compatible with the LTC2986-1. It delivers 5kV isolated power and SPI interface to the precision temperature-to-bits converter. The LTM2985 incorporates a user-programmable EEPROM for custom sensor data.
Features
- 5000Vrms Isolated power and SPI interface
- Directly digitizes 2-, 3- or 4-wire RTDs, thermocouples, thermistors, and diodes
- 10 Flexible inputs allow interchanging sensors
- Automatic thermocouple cold junction compensation
- Built-in standard and user-programmable coefficients for thermocouples, RTDs, and thermistors
- Automatic burn out, short-circuit and fault detection
- Buffered inputs allow external protection
- Simultaneous 50Hz/60Hz rejection
- Includes 15ppm/°C (max) reference
- Includes special protection modes
- On-chip EEPROM stores channel configuration data and custom coefficients
Applications
- Direct thermocouple measurements
- Direct RTD measurements
- Direct thermistor measurements
- Custom sensor applications
Additional Resources
Typical Application
Typical Temperature Error Contribution
Paskelbta: 2022-01-13
| Atnaujinta: 2022-03-11
