Analog Devices Inc. LTC4421 Prioritized PowerPath™ Controller
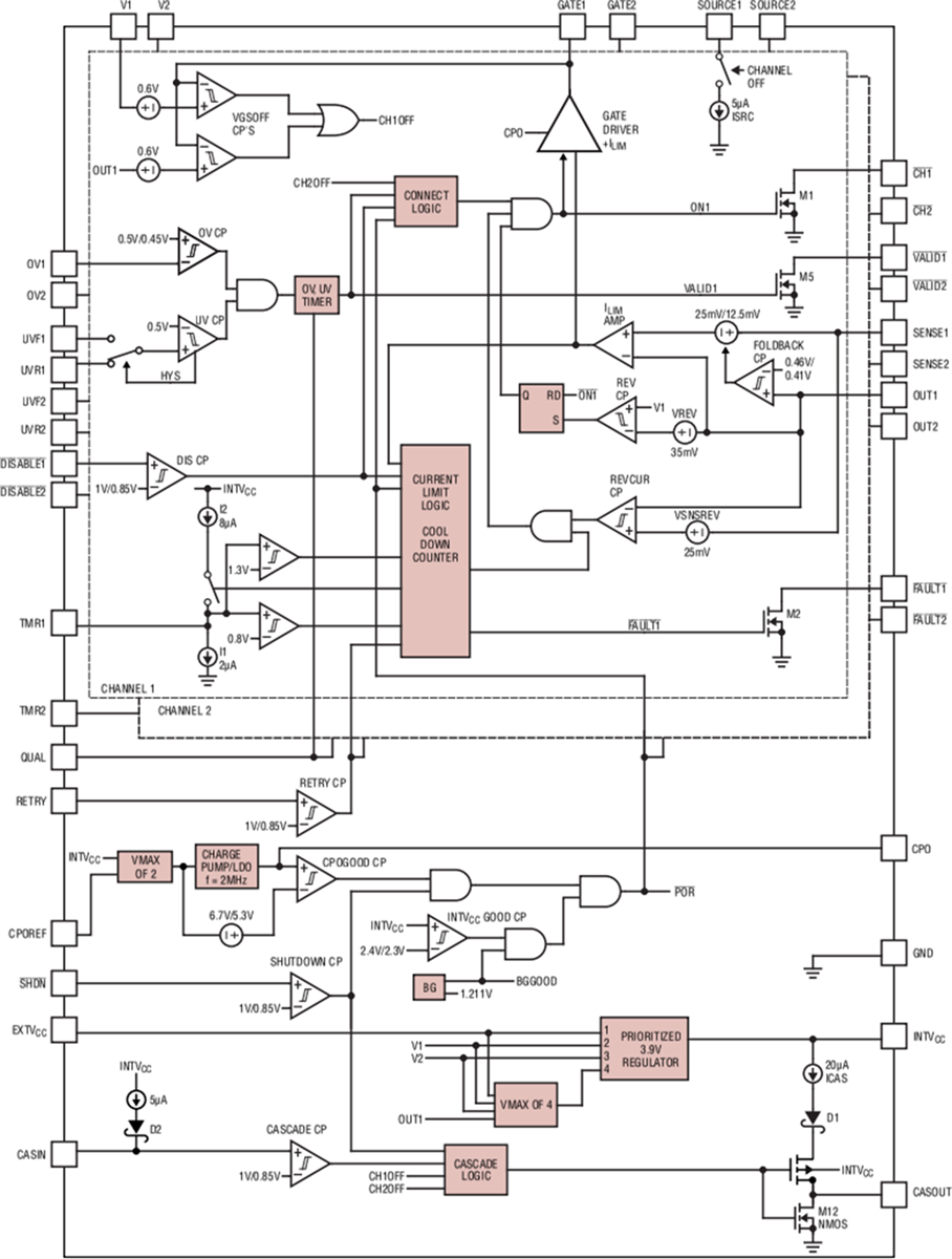
Analog Devices Inc. LTC4421 Prioritized PowerPath™ Controller is designed to drive external N-Channel MOSFETs to connect one of two input supplies to a common output, based on user-defined priority and validity. By definition, the supply connected to V1 is the higher priority supply, although this can be changed dynamically. External resistive dividers set the undervoltage and overvoltage thresholds that bound the valid voltage window.Strong gate drivers quickly switch the large external N-channel MOSFETs. Fast switchover circuitry minimizes output droop when changing channels while preventing reverse and cross-conduction. A fast comparator detects input short circuits and quickly turns off the N-channel MOSFETs to minimize disruption.
External sense resistors set the maximum inrush and current limit currents. During current limiting, the LTC4421 controls the N-channel MOSFET gate to regulate 25mV across the sense resistor. When the sense resistor voltage has been regulated to 25mV for a user-settable time, the channel is disconnected and a fault is set.
Features
- Wide 0V to 36V operating voltage range (60V tolerant)
- Drives large external N-channel MOSFETs for high-output current applications
- Accurately limits inrush current
- Connects the highest priority valid supply to the output load
- Changes channel priority in real-time
- ±2% OV, UV input comparators
- Individually adjustable current limit time-out for each channel
- Adjustable input validation time
- Fast switchover minimizes VOUT droop
- Operating ambient temperature range
- LTC4421C: 0°C to +70°C
- LTC4421I: -40°C to +85°C
- LTC4421H: -40°C to +125°C
- Package options
- QFN-36
- SSOP-36
Applications
- High reliability systems
- Server based back-up systems
- Industrial handheld instruments
- Battery back-up systems
Typical Application Circuit
Block Diagram
Pin Designations
Paskelbta: 2020-01-07
| Atnaujinta: 2024-08-14
