Analog Devices Inc. EVAL-LTPA-RL2000 DC Efficiency Meter

Analog Devices EVAL-LTPA-RL2000 DC Efficiency Meter is designed for use with the LTpowerAnalyzer® Kit (EVAL-LTPA-KIT). The ADI EVAL-LTPA-RL2000 is a compact laboratory instrument for characterizing the efficiency of a power supply design across multiple load current values. With two voltage inputs and two current inputs, the RL2000 is capable of simultaneously measuring both input and output power, up to a maximum of 150W. This DC efficiency meter features a measurement range of ±125V for the voltage inputs, and 10µA, 100µA, 1mA, 10mA, 100mA, 1A, 10A, and 30A for the current input and load. For ease of use, an auto-range function is implemented into the RL2000, allowing the meter to automatically switch to the most appropriate range based on the measured input.

Features

  • For use with the LTpowerAnalyzer Kit (EVAL-LTPA-KIT)
  • 2x isolated voltage measurement channels
    • ±125VDC range
    • 1mV resolution
    • 2MΩ impedance
    • 0.01% reading + 0.01% range accuracy
  • 1x isolated current measurement channel with programmable voltage drop
    • 30A input DC
    • 10µA, 100µA, 1mA, 10mA, 100mA, 1A, 10A, and 30A options
    • 10nA, 10nA, 100nA, 1µA, 10µA, 100µA, 1mA, or 1mA resolution
    • 0.025% reading + 0.01% range accuracy
    • 0.01% reading + 0.01% range servo voltage accuracy
    • 0V to 5V voltage drop range
    • +70°C shutdown temperature
  • 1x isolated programmable current load
    • 30A input DC
    • 10µA, 100µA, 1mA, 10mA, 100mA, 1A, 10A, and 30A options
    • 10nA, 10nA, 100nA, 1µA, 10µA, 100µA, 1mA, or 1mA resolution
    • 0.025% reading + 0.01% range accuracy
    • 150W maximum power
    • 75V load voltage
    • +70°C shutdown temperature
  • Automatic temperature monitoring and thermal management
  • Multiple meters can be used to support multi-input or high current (>30A) applications
  • USB Type-C® interface

Applications

  • Evaluation of DC/DC converters
  • Power supply testing
  • Energy optimization in embedded systems
  • Benchmarking power management ICs
  • Laboratory and R&D environments
  • Automotive and industrial electronics

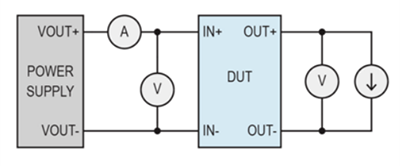
Generic Test Setup

Mechanical Drawing - Analog Devices Inc. EVAL-LTPA-RL2000 DC Efficiency Meter

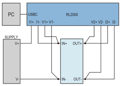
Typical Hardware Setup

Mechanical Drawing - Analog Devices Inc. EVAL-LTPA-RL2000 DC Efficiency Meter
Paskelbta: 2025-12-03 | Atnaujinta: 2025-12-10