Analog Devices Inc. ADA4511-2 Rail-to-Rail Input/Output Op Amps
Analog Devices Inc. ADA4511-2 Rail-to-Rail Input/Output Op Amps are dual-channel, 40V, high precision, low-input bias current, low-offset voltage, low-offset voltage drift, low noise, rail-to-rail input/output operational amplifiers (op amps). These devices can be used at any signal chain point, including sensing, conditioning, and output drive. Through trimming, the ADA4511-2 achieves low offset drift (±0.4μV/°C typical, ±2μV/°C maximum) and low offset voltage (±25μV typical, ±75μV maximum).The Analog Devices ADA4511-2 delivers top DC accuracy and AC precision, making it suitable for various signal chain applications. By integrating a robust mux-compatible architecture, the ADA4511-2 effectively solves common system distortion and settling problems while providing the superior accuracy required in multiplexed multichannel precision signal chains. The ADA4511-2 is specified from -40°C to +125°C and available in an 8-lead, SOIC_N package.
Features
- Low ±2μV/°C maximum offset voltage drift
- Low ±75μV maximum offset voltage
- Low 1μV p-p voltage noise from 0.1Hz to 10Hz typical
- Low 5nV/√Hz typical voltage noise density at f = 1kHz
- High 140dB typical common-mode rejection
- Low ±10pA maximum input bias current
- Wide 10.4MHz typical gain-bandwidth product
- High 19V/μs typical slew rate
- Low -134dB THD at f = 1kHz
- Low 1.45mA typical quiescent supply current per amplifier
- Integrated EMI filter
- Rail-to-rail output
- Wide supply voltage operation
- 6V to 40V
- ±3V to ±20V
- Multiplexer compatible inputs
- Differential and common mode rail-to-rail high-impedance inputs
- Fast settling time
- No phase reversal
- 1nF heavy capacitive load drive capability
- Wide -40°C to +125°C temperature range
- Available in 8-lead standard small-outline package (SOIC_N)
Applications
- Data acquisition systems
- Multiplexed input signal chains
- Industrial automation
- Medical instruments
- Electronic test and measurement
- Precision current measurement
- Photodiode amplifiers
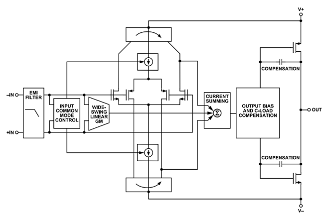
Typical Application Circuit
Schematic
Paskelbta: 2024-03-07
| Atnaujinta: 2025-09-30
