ams OSRAM Metal Can® PLT5 Laser Diodes
ams OSRAM PLT5 Laser Diodes are single transverse mode semiconductor lasers with a high modulation bandwidth and are available in green and blue colors. The PLT5 laser diodes are available in a T056 package with a photodiode and feature an efficient radiation source for Continuous Wave (CW) and pulsed operation. These laser diodes are available in different variants based on color, optical output power, and typical emission wavelength. Specific applications include laser projection, laser shows, biomedical applications, and metrology.Features
- 10mW to 110mW (Tcase= 25°C) optical output power (continuous wave)
- 450nm to 520nm typical emission wavelength
- Efficient radiation source for CW and pulsed operation
- Single transverse mode semiconductor lasers
- High modulation bandwidth
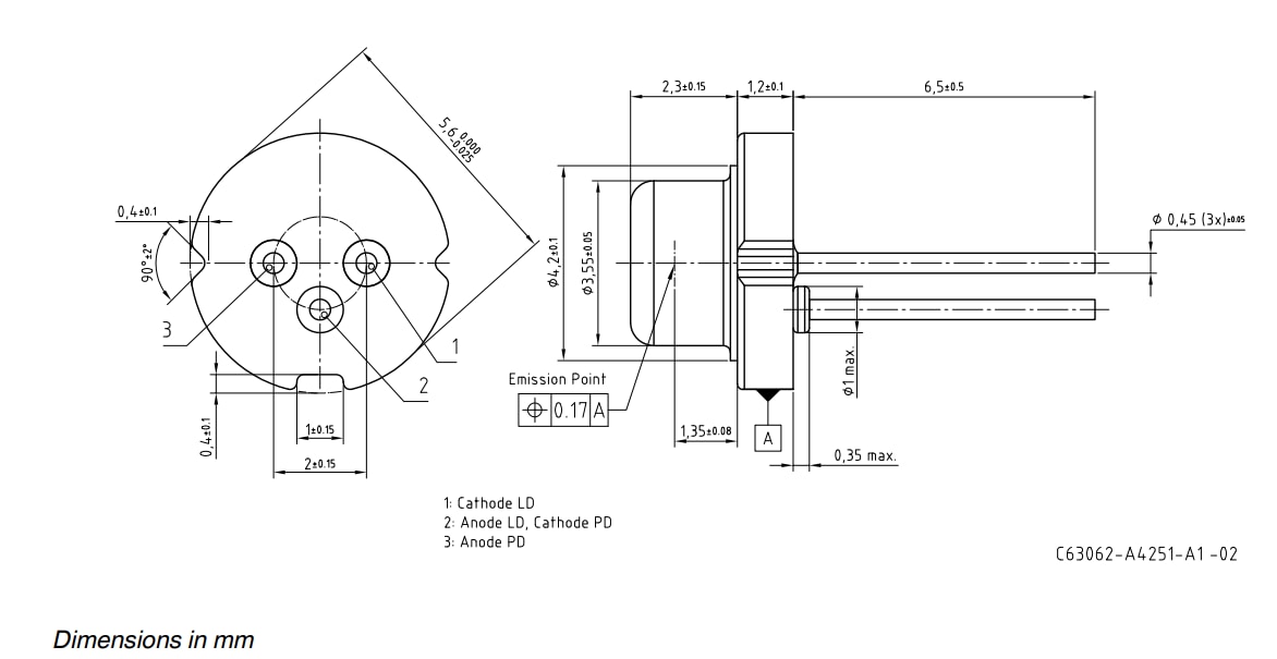
- Robust 5.6mm diameter TO-56 Metal Can package
Applications
- Laser projection
- Laser shows
- Presenter
- Biomedical
- Metrology
Additional Resources
TO-56 Package Overview
TO56 Package Outline
View Results ( 10 ) Page
| Dalies Numeris | Duomenų Lapas | Aprašymas | Išvesties Galia | Bangos ilgis | Vf - tiesioginė įtampa | Minimali darbinė temperatūra | Didžiausia darbinė temperatūra |
|---|---|---|---|---|---|---|---|
| PLT3 450GB | ![]() |
Lazeriniai diodai METAL CAN TO38 BLU LASER DIODE | 100 mW | 450 nm | 5.2 V | - 20 C | + 70 C |
| PLT5 450GB | ![]() |
Lazeriniai diodai BLUE LASER DIODE METAL CAN | 100 mW | 450 nm | 5.2 V | - 20 C | + 70 C |
| PLT5 518FB_P | ![]() |
Lazeriniai diodai Green laser diode, PLT5 518FB_P - 30mW green laser diode in robust TO56 package | 30 mW | 520 nm | - 20 C | + 60 C | |
| PLT5 520EB_P | ![]() |
Lazeriniai diodai Green laser diode, PLT5 520EB_P - 20mW green laser diode in robust TO56 package | 20 mW | 520 nm | - 20 C | + 60 C | |
| PLT5 520EB_Q | ![]() |
Lazeriniai diodai Green laser diode, PLT5 520EB_Q- 20mW green laser diode in robust TO56 package | 20 mW | 520 nm | - 20 C | + 70 C | |
| PLT5 488 | ![]() |
Lazeriniai diodai Laser Diode TO56 | 488 nm | - 20 C | + 60 C | ||
| PLT3 520FB | ![]() |
Lazeriniai diodai GREEN LASER TO38 | 50 mW | 520 nm | - 20 C | + 60 C | |
| PLT5 520FB_P | ![]() |
Lazeriniai diodai Green laser diode, PLT5 520FB_P - 50mW green laser diode in robust TO56 package | 50 mW | 520 nm | - 20 C | + 60 C | |
| PLT5 520B | ![]() |
Lazeriniai diodai Green Laser Diode 520nm, 110mW | 110 mW | 520 nm | 6.4 V | - 10 C | + 85 C |
| PLT5 520DB_P | ![]() |
Lazeriniai diodai Green laser diode, PLT5 520DB_P - 10mW green laser diode in robust TO56 package | 10 mW | 515 nm | - 20 C | + 60 C |
Paskelbta: 2018-06-14
| Atnaujinta: 2024-07-31

