Amphenol Advanced Sensors T6793 High Accuracy NDIR Carbon Dioxide Sensors
Amphenol Advanced Sensors Telaire T6793 is a miniature, non-dispersive, single-channel OEM CO2 sensor module with the accuracy and reliability of many larger sensors. The Telaire T6793 meets the accuracy standards of CA Title 24 and has an accuracy rating of ±45ppm +3% of reading in the measured range of 440ppm to 2000ppm. Amphenol Advanced Sensors Telaire T6793 Sensors are suitable for use where CO2 levels need to be measured and controlled for indoor air quality or energy savings applications.Features
- Cost-effective gas-sensing solution for OEMs
- Meets the accuracy standards of CA Title 24
- Eliminates the need for calibration in most applications with Telaire ABC Logic™software, lifetime calibration warranty
- Signal update every 5 seconds
- Flexible CO2 sensor platform designed to interact with other microprocessor devices
- Reliable and compact design allows for simple product integration
- Diffusion sampling method
Applications
- Indoor air quality
- Demand control ventilation
- Energy saving
Specifications
- 0ppm to 2000ppm or 0ppm to 5000ppm measurement range
- 400ppm to 5000ppm ±45ppm +3% of reading measurement accuracy
- <2 minutes operational warm-up time
- Operating conditions
- -10°C to +60°C temperature range
- 0% to 95% RH, non-condensing
- 10 minutes warm-up time for maximum accuracy
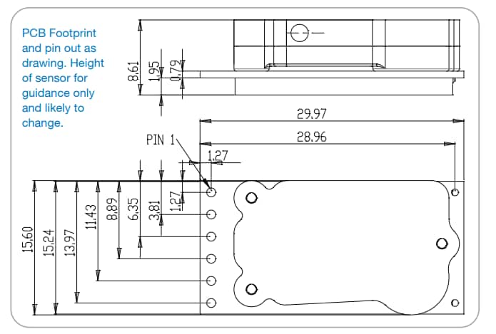
- 29.97mm x 15.60mm x 8.61mm dimensions
- Power supply requirements
- 4.5VDC to 5.5VDC voltage
- 200mA (155mA typical) peak current
- 25mA (20mA typical) average current
Videos
Dimensions (mm)
Paskelbta: 2022-08-19
| Atnaujinta: 2023-05-18
